घर > उत्पादनहरू > काष्ठफल > हेक्सागन नट > टाइप २ सिंगल च्याम्फर्ड हेक्सागन नट
        टाइप २ सिंगल च्याम्फर्ड हेक्सागन नट
        • टाइप २ सिंगल च्याम्फर्ड हेक्सागन नटटाइप २ सिंगल च्याम्फर्ड हेक्सागन नट
        • टाइप २ सिंगल च्याम्फर्ड हेक्सागन नटटाइप २ सिंगल च्याम्फर्ड हेक्सागन नट
        • टाइप २ सिंगल च्याम्फर्ड हेक्सागन नटटाइप २ सिंगल च्याम्फर्ड हेक्सागन नट

        टाइप २ सिंगल च्याम्फर्ड हेक्सागन नट

        टाइप 2 एकल च्याम्फर्ड हेक्सागन नटहरू वातावरणमा प्रयोग गर्न सकिन्छ जहाँ मानक नटहरू प्रयोग गर्न सकिँदैन। टाइप 2 नटको उचाइ टाइप 1 भन्दा लगभग 10% बढी छ। Xiaoguo® बाट खरिद गर्दा, हामी तपाईंलाई उच्च-गुणस्तरका उत्पादनहरू प्रदान गर्ने ग्यारेन्टी दिन्छौं जसले तपाईंको फास्टनिङ आवश्यकताहरू पूरा गर्दछ।
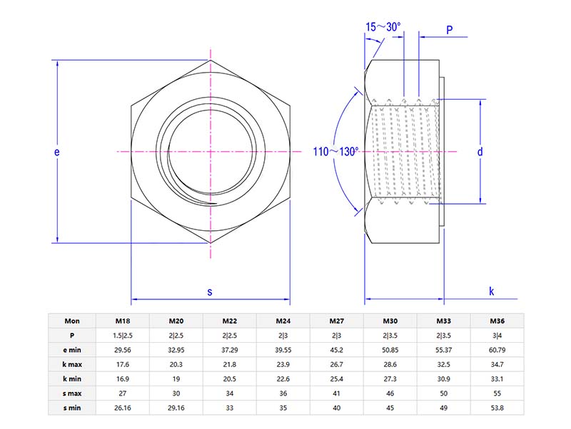
        मोडेल:JIS B1181-6-1993

        सोधपुछ पठाउनुहोस्

        उत्पादन विवरण

        टाइप २ सिंगल च्याम्फर्ड हेक्सागन नटटाइप 1 भन्दा गाढा र बलियो छ, र लोड क्षमता टाइप 1 भन्दा बढी छ, तिनीहरूलाई भारी भार वा उच्च-आवश्यकता परिदृश्यहरूको लागि उपयुक्त बनाउँछ। प्रकार 1 हल्का कामको लागि उपयुक्त छ, जबकि टाइप 2 भारी मेसिनरी वा संरचनात्मक भारहरूको लागि उपयुक्त छ। यद्यपि, टाइप २ बढी महँगो र भारी छ।

        टाइप 2 एकल च्याम्फर्ड हेक्सागन नट एक अपेक्षाकृत किफायती हेक्सागोनल नट हो जसलाई गर्मी उपचारको आवश्यकता पर्दैन। टाइप 2 नटहरू प्रायः एरोस्पेस, मोटर वाहन, निर्माण, मेसिनरी, र अन्य अनुप्रयोगहरू जसलाई तुलनात्मक रूपमा बलियो कनेक्टरहरू चाहिन्छ जस्ता अनुप्रयोगहरूमा प्रयोग गरिन्छ जहाँ एसेम्ब्ली र विघटन प्रायः आवश्यक हुन्छ।

        उत्पादन विवरण र मापदण्डहरू

        Type 2 single chamfered hexagon nut


        टाइप 2 एकल च्याम्फर्ड हेक्सागन नट ट्रक फ्रेम, कन्वेयर बेल्ट प्रणाली वा कृषि उपकरणहरूमा स्थापित छ। तिनीहरूले ठूलो टर्कको सामना गर्न सक्छन्, नटलाई हटाउनबाट रोक्न, र च्याम्फरले बोल्टलाई छिटो पङ्क्तिबद्ध गर्न मद्दत गर्दछ। तिनीहरू अलमारियों वा आधारभूत फर्नीचरको लागि धेरै बोझिल छन्।

        छनोट गर्दाटाइप २ सिंगल चेम्फर्ड हेक्सागन नट, बोल्ट साइज पहिले विचार गर्नुपर्छ। थ्रेडको व्यास (जस्तै M12, ¾ ") र पिच (मोटो धागो वा राम्रो थ्रेड) लाई मिलाउनुहोस्। च्याम्फरिङले थ्रेडको एक छेउमा सानो कोण थप्नेछ। कस्दा, थ्रेडहरू मिस गर्नबाट जोगिनुहोस्। मेट्रिक र इम्पेरियल थ्रेडहरू नमिलाउनुहोस्, किनकि यसले थ्रेडलाई क्षति पुर्याउँछ।

        टाइप 2 एकल च्याम्फर्ड हेक्सागन नटले बोल्टहरूलाई छिटो मार्गदर्शन गर्न सक्छ, जसले गर्दा ठूलो उत्पादनमा उपकरणको डाउनटाइम कम हुन्छ। हट-डिप ग्याल्भेनाइज्ड नटहरू बाहिरी प्रयोगको लागि उपयुक्त छन्, तर कोटिंग खस्किन सक्ने क्षरणकारी वातावरणमा बेवास्ता गर्नुपर्छ। खारेज गरिएका उपकरणहरूमा नटहरू पुन: प्रयोग नगर्नुहोस्।


        Type 2 single chamfered hexagon nut

        स्थापना सुझावहरू

        स्थापना गर्दाटाइप २ सिंगल चेम्फर्ड हेक्सागन नट, थ्रेडेड जडानलाई सहज बनाउनको लागि च्याम्फरले बोल्टको सामना गर्दछ। यसलाई बलियो बनाउनको लागि टोक़ रेन्च प्रयोग गर्नुहोस्। सावधान रहनुहोस् कि अत्यधिक कसले बोल्टलाई क्षति पुर्‍याउन सक्छ। यो उच्च-ग्रेड बोल्टहरू (एउटै शक्ति ग्रेडको साथ) र संयोजनमा कडा वाशरहरू प्रयोग गर्न सिफारिस गरिन्छ।

        हट ट्यागहरू: टाइप २ सिंगल चेम्फर्ड हेक्सागन नट, चीन, निर्माता, आपूर्तिकर्ता, कारखाना
        सम्बन्धित श्रेणी
        सोधपुछ पठाउनुहोस्
        कृपया तलको फारममा आफ्नो सोधपुछ दिन स्वतन्त्र महसुस गर्नुहोस्। हामी तपाईंलाई 24 घण्टामा जवाफ दिनेछौं।
        X
        हामी तपाईंलाई राम्रो ब्राउजिङ अनुभव प्रदान गर्न, साइट ट्राफिक विश्लेषण र सामग्री निजीकृत गर्न कुकीहरू प्रयोग गर्छौं। यो साइट प्रयोग गरेर, तपाईं कुकीहरूको हाम्रो प्रयोगमा सहमत हुनुहुन्छ। गोपनीयता नीति
        अस्वीकार गर्नुहोस् स्वीकार गर्नुहोस्