घर > उत्पादनहरू > काष्ठफल > हेक्सागन नट > प्रणाली HR ठूलो हेक्सागन नट
        प्रणाली HR ठूलो हेक्सागन नट
        • प्रणाली HR ठूलो हेक्सागन नटप्रणाली HR ठूलो हेक्सागन नट
        • प्रणाली HR ठूलो हेक्सागन नटप्रणाली HR ठूलो हेक्सागन नट
        • प्रणाली HR ठूलो हेक्सागन नटप्रणाली HR ठूलो हेक्सागन नट

        प्रणाली HR ठूलो हेक्सागन नट

        प्रणाली HR ठूलो हेक्सागन नटहरू प्रीलोडेड उच्च-शक्ति बोल्ट संरचनात्मक जडान जोडीको भाग हो, HR प्रकारको ठूलो हेक्सागन हेड बोल्टहरू सँगै प्रयोग गरिन्छ, र प्रायः निर्माण उद्योगमा स्टील संरचनाहरूमा प्रयोग गरिन्छ। Xiaoguo® पेशेवर निर्माताहरूको उत्पादनहरू परीक्षण गरिएका छन् र गुणस्तर मापदण्डहरू पूरा गर्छन्, र किफायती छन्।
        मोडेल:EN 14399-7-2007

        सोधपुछ पठाउनुहोस्

        उत्पादन विवरण

        प्रणाली HR ठूलो हेक्सागन नटठूला आकारका बोल्टहरूसँग संयोजनमा प्रयोग गरिन्छ र सामान्यतया अधिक बल र स्थिरता आवश्यक पर्ने कामहरूमा प्रयोग गरिन्छ। तिनीहरू प्रायः निर्माण उद्योगमा प्रयोग गरिन्छ, जस्तै इस्पात संरचना भवनहरूमा, बीम र स्तम्भहरू एकसाथ मिलाउन।

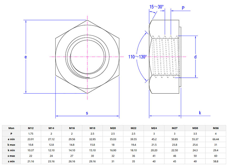
        उत्पादन विवरण र मापदण्डहरू

        System HR large hexagon nuts

        प्रणाली HR ठूलो हेक्सागन नट स्थापना गर्दा केही विवरणहरू ध्यान दिन आवश्यक छ। सबैभन्दा पहिले, नटको थ्रेड साइज बोल्टसँग ठ्याक्कै मेल खान्छ भनेर सुनिश्चित गर्नुहोस्। कुनै पनि मेल नमिल्दा असुरक्षित जडान हुन सक्छ। उपयुक्त नट फेला पारेपछि, नटलाई बोल्टमा राख्नुहोस्। त्यसपछि, रेन्च उठाउनुहोस्। नट कस्नको लागि रेन्च घडीको दिशामा घुमाउनुहोस्। चूंकि यी नटहरू उच्च-शक्ति अनुप्रयोगहरूको लागि उपयुक्त छन्, तिनीहरूलाई बलियो बनाउनको लागि पर्याप्त बल लागू गर्न आवश्यक छ।

        निर्माण उद्योगमा, ठूला हेक्सागन नटहरू इस्पात संरचना भवनहरूको निर्माणको लागि प्रयोग गरिन्छ। कामदारहरूले भवनको लागि ठोस ढाँचा निर्माण गर्न बीम र स्तम्भहरू एकसाथ मिलाउन यी नटहरू प्रयोग गरे। पुल निर्माणमा, तिनीहरू पुल संरचना जडान गर्न धेरै महत्त्वपूर्ण छन्, यो सुनिश्चित गर्दै कि यसले सवारी साधन र प्राकृतिक बलहरूको वजनलाई समर्थन गर्न सक्छ। तिनीहरू पनि ठूला गोदामहरू र औद्योगिक सुविधाहरू निर्माण गर्न प्रयोग गरिन्छ।

        प्रणाली HR ठूलो हेक्सागन नटखानी उपकरण, पवन टर्बाइन वा भारी निर्माण उपकरणहरूमा प्रयोग गरिन्छ। तिनीहरू प्रायः उच्च-तनाव वातावरणमा प्रयोग गरिन्छ जस्तै स्टील मिल वा शिपयार्डहरू, र तिनीहरूको ठूलो हेक्सागोनल आकार औद्योगिक रेन्चहरूको लागि उपयुक्त हुन्छ। किसानहरूले ट्र्याक्टरमा प्रयोग गर्छन्। प्रशारण प्रणाली जडान गर्न कारखानाहरू तिनीहरूमा भर पर्छन्।

        System HR large hexagon nuts

        आकार विचारहरू

        प्रणाली HR ठूलो हेक्सागन नटsविभिन्न आकारहरूमा उपलब्ध छन्। साना आकारहरू (जस्तै M12 वरपर) साना संरचनाहरूको लागि प्रयोग गर्न सकिन्छ जसलाई अझै पनि दृढ जडान चाहिन्छ। उदाहरण को लागी, उपकरण वा केहि हल्का औद्योगिक उपकरणहरु को लागी सानो धातु फ्रेम को निर्माण। ठूला आकारहरू (केहि अवस्थामा M36 सम्म वा अझ ठूला) ठूला-ठूला निर्माण परियोजनाहरूको लागि उपयुक्त छन्। ठूला औद्योगिक प्लान्टहरू वा बहु-तले भवनहरू निर्माण गर्दा, यी ठूला आकारका नटहरू मुख्य संरचनात्मक घटकहरू ठीक गर्न प्रयोग गरिन्छ। नट छनौट गर्नु अघि बोल्टको साइज सही रूपमा मापन गर्न धेरै महत्त्वपूर्ण छ।

        हट ट्यागहरू: प्रणाली HR ठूलो हेक्सागन नट, चीन, निर्माता, आपूर्तिकर्ता, कारखाना
        सम्बन्धित श्रेणी
        सोधपुछ पठाउनुहोस्
        कृपया तलको फारममा आफ्नो सोधपुछ दिन स्वतन्त्र महसुस गर्नुहोस्। हामी तपाईंलाई 24 घण्टामा जवाफ दिनेछौं।
        X
        हामी तपाईंलाई राम्रो ब्राउजिङ अनुभव प्रदान गर्न, साइट ट्राफिक विश्लेषण र सामग्री निजीकृत गर्न कुकीहरू प्रयोग गर्छौं। यो साइट प्रयोग गरेर, तपाईं कुकीहरूको हाम्रो प्रयोगमा सहमत हुनुहुन्छ। गोपनीयता नीति
        अस्वीकार गर्नुहोस् स्वीकार गर्नुहोस्