घर > उत्पादनहरू > काष्ठफल > हेक्सागन फ्ल्यान्ज नट > मेट्रिक हेक्स फ्ल्यान्ज नट
        मेट्रिक हेक्स फ्ल्यान्ज नट
        • मेट्रिक हेक्स फ्ल्यान्ज नटमेट्रिक हेक्स फ्ल्यान्ज नट
        • मेट्रिक हेक्स फ्ल्यान्ज नटमेट्रिक हेक्स फ्ल्यान्ज नट
        • मेट्रिक हेक्स फ्ल्यान्ज नटमेट्रिक हेक्स फ्ल्यान्ज नट

        मेट्रिक हेक्स फ्ल्यान्ज नट

        मेट्रिक हेक्स फ्ल्यान्ज नट मेट्रिक साइज पछ्याउने फ्ल्यान्ज फेस भएको हेक्सागन नट हो। Xiaoguo® निर्माताले मापदण्डहरू पूरा गर्ने मेट्रिक हेक्सागन फ्ल्यान्ज नटहरू प्रदान गर्दछ, र पेशेवर कर्मचारीहरू सधैं प्रश्नहरूको जवाफ दिन उपलब्ध छन्।
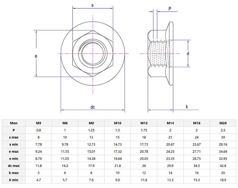
        मोडेल:ASME/ANSI B18.2.4.4M-1982

        सोधपुछ पठाउनुहोस्

        उत्पादन विवरण

        मेकानिक्स र निर्माण कार्यकर्ताहरूले उच्च-कम्पन वातावरणमा मेट्रिक हेक्स फ्ल्यान्ज नट प्रयोग गर्छन्। फ्ल्यान्जले सतहलाई बलियोसँग समात्छ, नट ढिलो हुने जोखिमलाई कम गर्छ, र मेट्रिक थ्रेडलाई मानक बोल्टहरूमा ADAPTS गर्छ, त्यसैले तपाईंले विशेष आयामहरू अनुकूलित गर्न आवश्यक पर्दैन।

        Metric hex flange nut

        उत्पादन विवरण र मापदण्डहरू

        मेट्रिक हेक्स फ्ल्यान्ज नट एक मानक हेक्स नट र निर्मित फ्ल्यान्ज (वाशर) को संयोजन हो। यसले कम्पनको कारण नटलाई ढिलो हुनबाट रोक्नको लागि सतहको रक्षा गर्न दबाब वितरण गर्न सक्छ। यो मेसिनरी, वाहन वा निर्माणमा प्रयोगको लागि स्टील र स्टेनलेस स्टीलमा उपलब्ध छ। फ्ल्याङ्गहरूले छुट्टै ग्यास्केटको आवश्यकतालाई हटाउँछ, यसरी स्थापना समय र भागहरूको संख्या बचत गर्दछ।

        किसान र कृषि कार्यकर्ताहरूले ट्र्याक्टर, फसल काट्ने र सिंचाई प्रणालीहरूमा मेट्रिक हेक्स फ्ल्यान्ज नट प्रयोग गर्छन्। फ्ल्याङ्गहरूले नटहरू धूलो वा हिलो वातावरणमा ढीलो हुनबाट रोक्छन्, र मेट्रिक थ्रेडहरू अधिकांश खेती उपकरण बोल्टहरूमा फिट हुन्छन्। यो दैनिक पहिरन र आँसुको सामना गर्न पर्याप्त बलियो छ, तर सञ्चालन गर्न र सिधै फिल्डमा प्रतिस्थापन गर्न पर्याप्त सरल छ। हलो मर्मत गर्ने होस् वा ग्रेन साइलो, यी नटहरूले प्रयोगकर्ताको समय बचाउँछन्।

        मेट्रिक हेक्स फ्ल्यान्ज नट इलेक्ट्रोनिक्स र रोबोटिक्समा प्रयोग गरिन्छ। फ्ल्यान्जले नटलाई पातलो प्यानल वा सर्किट बोर्डमा अत्याधिक कसाइ नगरी स्थिर राख्छ। मेट्रिक आयामहरू सटीक ईन्जिनियरिङ् विशिष्टताहरू अनुरूप छन्, जुन सटीक उपकरणहरूको लागि आवश्यक छ। शौकहरू र पेशेवरहरूले यसलाई ड्रोन, थ्रीडी प्रिन्टरहरू, वा स्वचालित प्रणालीहरूमा प्रयोग गर्छन् जहाँ कम्पनहरूले नटहरूको पङ्क्तिबद्धतामा बाधा पुर्‍याउन सक्छ।



        Metric hex flange nut

        हाम्रो बजार वितरण

        बजार
        राजस्व (गत वर्ष)
        कुल राजस्व (%)
        उत्तर अमेरिका
        गोप्य
        15
        दक्षिण अमेरिका
        गोप्य
        10
        पूर्वी यूरोप
        गोप्य
        12
        दक्षिणपूर्वी एशिया
        गोप्य
        10
        मध्य पूर्व
        गोप्य
        7
        पूर्वी एशिया
        गोप्य
        17
        पश्चिमी यूरोप
        गोप्य
        15
        दक्षिण एसिया
        गोप्य
        6
        घरेलु बजार
        गोप्य
        8

        मर्मत सुझावहरू

        रस्ट वा बेन्ट फ्ल्याङ्गहरूको लागि मेट्रिक हेक्स फ्ल्यान्ज नट जाँच गर्नुहोस्। यदि थ्रेडहरू पट्टी वा फ्ल्यान्ज क्र्याक भएमा बदल्नुहोस्। नुनिलो वातावरणको लागि, स्टेनलेस स्टील छान्नुहोस्। फोहोर जम्मा भएमा तारको ब्रशले थ्रेडहरू सफा गर्नुहोस्। प्लाष्टिक जस्ता नरम सामग्रीहरूमा बढी कस्ने काम नगर्नुहोस्। फ्ल्यान्जलाई सतहको बिरूद्ध समतल थिच्नुहोस् र रेन्चको साथ कस्नुहोस्। फ्ल्यान्ज असमान स्थानहरूमा स्व-पङ्क्तिबद्ध हुन्छ। स्ट्रिपिङ थ्रेडहरूबाट बच्न भारी भारहरूको लागि टोक़ रिंच प्रयोग गर्नुहोस्।


        हट ट्यागहरू: मेट्रिक हेक्स फ्ल्यान्ज नट, चीन, निर्माता, आपूर्तिकर्ता, कारखाना
        सम्बन्धित श्रेणी
        सोधपुछ पठाउनुहोस्
        कृपया तलको फारममा आफ्नो सोधपुछ दिन स्वतन्त्र महसुस गर्नुहोस्। हामी तपाईंलाई 24 घण्टामा जवाफ दिनेछौं।
        X
        हामी तपाईंलाई राम्रो ब्राउजिङ अनुभव प्रदान गर्न, साइट ट्राफिक विश्लेषण र सामग्री निजीकृत गर्न कुकीहरू प्रयोग गर्छौं। यो साइट प्रयोग गरेर, तपाईं कुकीहरूको हाम्रो प्रयोगमा सहमत हुनुहुन्छ। गोपनीयता नीति
        अस्वीकार गर्नुहोस् स्वीकार गर्नुहोस्