हेक्स नट र टेपर वाशर एसेम्बलीsअसमान वा कोण सतहहरूको लागि उपयुक्त।हेक्सागन नटबोल्टका लागि मानक थ्रेडहरू प्रदान गर्नुहोस्, जबकि टेपर्ड वाशरहरूलाई सुरक्षाको लागि उपयुक्त ढलान वा क्लियरेन्समा समायोजन गरिन्छ।

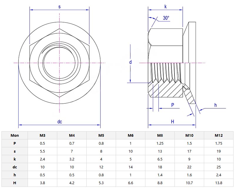
दहेक्स नट र टेपर धुने विधानसभाहरूमानक थ्रेड फिचर गर्नुहोस्, जबकि ट्यापर्ड वाशरमा कोणको सतह हुन्छ जसले 10-15 डिग्री सम्म समायोजन गर्न अनुमति दिन्छ। वाशरको फराकिलो आधारले समान रूपमा लोड वितरण गर्दछ, र असेंबलीले मेट्रिक वा इम्पेरियल बोल्टसँग काम गर्दछ। यो फ्ल्याट धुने भन्दा ठूलो छ, तर पङ्क्तिबद्ध चुनौतीहरू समाधान गर्दछ।
प्रयोग गर्नुहोस्हेक्स नट र टेपर वाशर असेंबलीesसुरक्षित गर्नबोल्टहरूढलान वा अनियमित सतहहरूमा। यसले झुकेको स्टिल बीमहरूमा कोष्ठकहरू माउन्ट गर्न, असमान कंक्रीटमा उपकरणहरू स्थापना गर्न, वा चट्टानी भुइँहरूमा मेसिनको खुट्टाहरू सुरक्षित गर्न सक्छ। यसले पुराना संरचनाहरूलाई समयको साथमा बसोबास गर्ने वा झुकाउने सतहहरूको साथ पुन: प्राप्त गर्न सजिलो बनाउँछ।
Hपूर्व नट र टेपर धुने विधानसभाहरूनिर्माण (स्टील बीम, मचान), रेल प्रणाली (ट्र्याक फास्टनिङ), र कृषि मेसिनरी (असमान भू-भागमा संलग्नहरू) मा सामान्य छन्। तिनीहरू उपयोगिता पोलहरू, सौर प्यानल माउन्टहरू, र डेक निर्माण जस्ता DIY परियोजनाहरूमा पनि प्रयोग गरिन्छ। कुनै पनि ठाउँमा बोल्टहरू कोण वा नराम्रो सतहहरू भेट्छन्, यो कम्बोले चीजहरूलाई कडा राख्छ।

| बजार |
कुल राजस्व (%) |
| उत्तर अमेरिका |
10 |
| पूर्वी यूरोप |
23 |
| दक्षिणपूर्वी एशिया |
3 |
| मध्य पूर्व |
5 |
| पूर्वी एशिया |
18 |
| पश्चिमी यूरोप |
15 |
| मध्य अमेरिका |
6 |
| दक्षिण एसिया |
5 |
| घरेलु बजार |
15 |
हेक्स नट र टेपर वाशर सम्मेलनहरूकम मर्मत लागत छ, र तपाईंले मात्र यो जाँच गर्न आवश्यक छ कि उत्पादन खिया छ वा वाशर विकृत छ कि छैन जब तपाईं यसलाई प्रयोग गर्नुहुन्छ। बेन्ट ग्यास्केटलाई पकड कायम राख्न प्रतिस्थापन गर्न आवश्यक छ। तिनीहरू चरम कोणहरू (15 डिग्री भन्दा बढी) वा भारी घुमाउने भारहरूको लागि उपयुक्त छैनन्। तिनीहरू धेरै असंतुलित कामहरूको लागि लागत-प्रभावी समाधान हुन्।