हेक्स फ्ल्याट नट

        हेक्स फ्ल्याट नट

        हेक्स फ्ल्याट नट एक हेक्सागोनल फास्टनर हो जसको समतल असर सतह हो, जुन बललाई समान रूपमा वितरण गर्न डिजाइन गरिएको हो र बोल्टको साथ प्रयोग गर्दा कम्पन अन्तर्गत छाड्न सजिलो छैन। विदेशी व्यापारको क्षेत्रमा Xiaoguo®, ग्राहक पहिले। एकै समयमा, धनी उत्पादन प्रकारहरू, ग्राहक खरीद पूरा गर्न एक-स्टप।
        मोडेल:ASME/ANSI B18.2.2-2-1993

        सोधपुछ पठाउनुहोस्

        उत्पादन विवरण


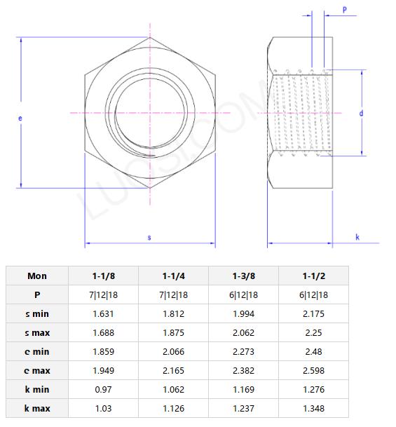
        हेक्स फ्ल्याट नट एक छ-पक्षीय फास्टनर हो जसको फ्ल्याट असर सतहको साथ मेकानिकल, अटोमोटिभ र बिल्डिंग कम्पोनेन्टहरूको जोडहरूमा क्ल्याम्पिंग बलहरू समान रूपमा वितरण गर्न डिजाइन गरिएको हो। फ्ल्यान्ज नट वा डोम नटको विपरीत, नटको कम प्रोफाइल डिजाइनले भोल्युमलाई कम गर्छ, तिनीहरूलाई साँघुरो ठाउँहरूको लागि आदर्श बनाउँछ जहाँ ठाउँ सीमित छ। यसको हेक्सागोनल आकारले विश्वव्यापी बोल्ट प्रणालीहरूसँग अनुकूलता सुनिश्चित गर्दै मानक रेन्च वा सकेटलाई कस्न सजिलो बनाउँछ। ISO 4032 (मेट्रिक) र ASME B18.2.2 (इम्पेरियल) मापदण्डहरूमा निर्मित, हेक्स फ्ल्याट नटले उच्च टर्कहरूमा सटीक थ्रेडिङ र विश्वसनीय प्रदर्शनको ग्यारेन्टी दिन्छ। तिनीहरूको स्थायित्व र स्थापनाको सजिलोको कारण, तिनीहरू संरचनात्मक फ्रेमहरू, पाइपहरू र औद्योगिक उपकरणहरूमा व्यापक रूपमा प्रयोग गरिन्छ।



        उत्पादन विवरण र मापदण्डहरू

        हाम्रो हेक्स फ्ल्याट नट अन्तर्राष्ट्रिय मापदण्डहरू पूरा गर्दछ (ISO 9001, ASME B18.2.2) र कठोरता, तन्य शक्ति र थ्रेड अखण्डताको लागि कडाईका साथ परीक्षण गरिन्छ। कारखाना परीक्षण प्रमाणपत्र (mtc) र तेस्रो पक्ष निरीक्षण (SGS, TUV) ले ट्रेसिबिलिटी र गुणस्तर स्थिरता सुनिश्चित गर्दछ। तेल/ग्यास वा रक्षा जस्ता प्रमुख क्षेत्रहरूका लागि, हेक्स फ्ल्याट नटले API 20E वा NADCAP निर्दिष्टीकरणहरूको पालना गर्दछ। कस्टम अर्डरहरूले विश्वव्यापी आपूर्ति श्रृंखलाको विश्वसनीयताको ग्यारेन्टी गर्दै, सामग्री प्रमाणीकरण र अनुपालन अडिटहरूको लागि पूर्ण कागजातहरू समावेश गर्दछ।

        Hex Flat Nut

        Hex Flat Nut



        Hex Flat Nut

        FAQ


        प्रश्न: स्थापना मा हेक्स फ्लैट नट र वर्ग पागल बीच मुख्य भिन्नता के हो?

        A: हेक्स फ्ल्याट नट छवटा पक्षहरूसँग डिजाइन गरिएको छ र रिंचसँग मेल खान्छ, जुन फ्ल्याट वा स्क्वायर ग्रूभहरूमा निर्भर हुन्छ। जबकि फ्ल्याट नटले मानक उपकरणहरू प्रयोग गरेर सीमित ठाउँहरूमा राम्रो पहुँच प्रदान गर्दछ, स्क्वायर नटहरूले म्यानुअल असेंबलीमा राम्रो प्रदर्शन गर्दछ जहाँ घूर्णन प्रतिरोध महत्त्वपूर्ण हुन्छ। दुबै नटहरूले समान रूपमा लोड वितरण गर्छन्, तर हेक्स फ्ल्याट नटहरू तिनीहरूको रेन्च-अनुकूल डिजाइनको कारणले भारी मेसिनरीहरूको लागि रुचाइन्छ, जबकि स्क्वायर नटहरू उपकरणहरू बिना कम-क्लियरन्स अनुप्रयोगहरूको लागि उपयुक्त छन्।



        हाम्रो बजार

        बजार
        राजस्व (गत वर्ष)
        कुल राजस्व (%)
        उत्तर अमेरिका
        गोप्य
        20
        दक्षिण अमेरिका
        गोप्य 4
        पूर्वी यूरोप 24
        गोप्य
        24
        दक्षिणपूर्वी एशिया
        गोप्य
        2
        अफ्रिका
        गोप्य
        2
        ओशिनिया
        गोप्य
        1
        मध्य पूर्व
        गोप्य
        4
        पूर्वी एशिया
        गोप्य
        13
        पश्चिमी यूरोप
        गोप्य
        18
        मध्य अमेरिका
        गोप्य
        6
        उत्तरी यूरोप
        गोप्य
        2
        दक्षिणी युरोप
        गोप्य
        1
        दक्षिण एसिया
        गोप्य
        4

        घरेलु बजार

        गोप्य
        5


        हट ट्यागहरू: हेक्स फ्ल्याट नट, चीन, निर्माता, आपूर्तिकर्ता, कारखाना
        सम्बन्धित श्रेणी
        सोधपुछ पठाउनुहोस्
        कृपया तलको फारममा आफ्नो सोधपुछ दिन स्वतन्त्र महसुस गर्नुहोस्। हामी तपाईंलाई 24 घण्टामा जवाफ दिनेछौं।
        X
        हामी तपाईंलाई राम्रो ब्राउजिङ अनुभव प्रदान गर्न, साइट ट्राफिक विश्लेषण र सामग्री निजीकृत गर्न कुकीहरू प्रयोग गर्छौं। यो साइट प्रयोग गरेर, तपाईं कुकीहरूको हाम्रो प्रयोगमा सहमत हुनुहुन्छ। गोपनीयता नीति
        अस्वीकार गर्नुहोस् स्वीकार गर्नुहोस्