घर > उत्पादनहरू > काष्ठफल > हेक्सागन नट > हेक्स फ्लैट जाम नट
        हेक्स फ्लैट जाम नट
        • हेक्स फ्लैट जाम नटहेक्स फ्लैट जाम नट
        • हेक्स फ्लैट जाम नटहेक्स फ्लैट जाम नट
        • हेक्स फ्लैट जाम नटहेक्स फ्लैट जाम नट

        हेक्स फ्लैट जाम नट

        Xiaoguo ले ग्राहकहरूलाई लागत घटाउन र उत्पादन दक्षतामा सुधार गर्न मद्दत गर्न लगातार नयाँ सामग्री र नयाँ प्रक्रियाहरू विकास गर्दछ। ISO चश्माहरूमा बनाइएको भारी हेक्स फ्ल्याट जाम नटहरू - फ्रेमहरू र निर्माण साइटहरू निर्माण गर्नका लागि राम्रो।
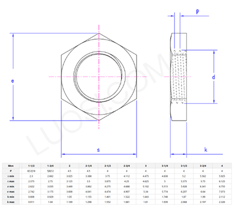
        मोडेल:ASME/ANSI B18.2.2-8-1993

        सोधपुछ पठाउनुहोस्

        उत्पादन विवरण

        हेक्स फ्ल्याट जाम नटहरू व्यावहारिकता र दक्षतामा ध्यान केन्द्रित गरी डिजाइन गरिएको छ, र चाँडै स्थापना गर्न सकिन्छ र ठूलो बलहरू सामना गर्न सकिन्छ। यो विभिन्न तापक्रम र संक्षारक वातावरणका लागि सामान्य स्टील, स्टेनलेस स्टील सहित विभिन्न सामग्रीहरूमा उपलब्ध छ। यी हेक्स जाम नटहरू कामहरूमा प्रयोग गरिन्छ जहाँ चीजहरू अलग हुन सक्दैन। निर्माणमा, तिनीहरूले स्टिल बीम र पुलका भागहरू सँगै राख्छन्। कार र ठूला मेसिनहरूले तिनीहरूलाई इन्जिन र फ्रेमहरू कडा राख्न प्रयोग गर्छन्। ट्याङ्क वा बन्दुक जस्ता सैन्य गियरको लागि, तिनीहरू कुनै न कुनै प्रयोग ह्यान्डल गर्न पर्याप्त कठिन छन्। तेल रिगहरू र पाइपहरू प्रायः स्टेनलेस स्टील छान्छन्हेक्स फ्लैट जाम नटरसायन वा नुनपानीबाट खियाको प्रतिरोध गर्न। डुङ्गाहरू र हावा टर्बाइनहरू पनि तिनीहरूमा भर पर्छन् किनभने तिनीहरू छिट्टै झर्दैनन्। कुनै पनि उद्योग, हेक्स जाम नटले महत्वपूर्ण जडानहरूलाई ठोस र सुरक्षित राख्छ।


        विस्तृत रेखाचित्र र प्यारामिटरहरू

        हेक्स फ्ल्याट जाम नटको माथिल्लो भागलाई सम्पर्क क्षेत्र बढाउन र राम्रो एन्टी-लूजिङ प्रभाव प्रदान गर्न फ्ल्यान्ज सतहको रूपमा डिजाइन गर्न सकिन्छ। उच्च तापक्रम वातावरणमा प्रयोग हुने हेक्स जाम नटहरू सामान्यतया तातो-प्रतिरोधी स्टिलबाट बनेका हुन्छन्, जसले 500 डिग्री सेल्सियसभन्दा माथि स्थिरता कायम राख्न सक्छ। हेक्स फ्ल्याट जाम नटहरू तताउने वा चिसो गर्ने तरिकाहरू प्रयोग गरी आकार दिइन्छ। साना नटहरू चिसो बनाइन्छ - यसले पैसा बचत गर्छ र आकारहरू सटीक राख्छ। ठूलाहरू पहिले तताइन्छ ताकि धातुलाई क्र्याक नगरी आकार दिन सजिलो हुन्छ। गठन गरेपछि, थ्रेडहरू रोलिङ (चिल्लो किनारहरूको लागि) वा काटेर थपिन्छन्। त्यसपछि तिनीहरूलाई कडा र बलियो बनाउन फेरि तताइन्छ। प्रत्येक ब्याच साइज नियमहरू (जस्तै आईएसओ वा एएसटीएम), परीक्षण थ्रेड फिट, र सामग्रीको सही पुष्टि गर्न जाँच गरिन्छ। यो चरण-दर-चरण प्रक्रिया सुनिश्चित गर्दछहेक्स फ्लैट जाम नटभारी तनावमा पनि उनीहरूले गर्नुपर्छ जस्तो काम गर्नुहोस्।

        Hex flat jam nut

        Hex flat jam nut

        Hex flat jam nut


        FAQs

        Q: तपाइँको हेक्स फ्ल्याट जाम नटहरू प्रतिस्पर्धीहरूसँग मूल्यमा कसरी तुलना गर्छन्?

        A: Xiaoguo® कारखानाकोहेक्स फ्लैट जाम नटअन्यको तुलनामा उचित मूल्य हो, तर हामी गुणस्तर ठोस राख्छौं। तिनीहरू के बनाइएका छन् (जस्तै स्टेनलेस स्टील बनाम नियमित स्टील) र तपाईंले कति खरिद गर्नुहुन्छ भन्ने आधारमा लागत परिवर्तन हुन्छ। उदाहरण को लागी, स्टेनलेस स्टील को लागी अलि बढि अग्रिम लागत तर तिनीहरु पानी वा रसायनहरु संग ठाउँहरु मा राम्रो होल्ड हुनेछ। यदि तपाइँ एकैचोटि एउटा गुच्छा किन्दै हुनुहुन्छ भने, हामी मूल्य घटाउनेछौं - र यदि तपाइँलाई केहि चाहिन्छ भने त्यहाँ कुनै न्यूनतम अर्डर छैन। हामीले तिनीहरूलाई आफैं बनाउनुभएको हुनाले, कुनै बिचौलियाको मतलब तिनीहरूले कति राम्रो काम गर्छन् भन्ने कुना नछोडिकन तपाईंले राम्रो सम्झौता पाउनुहुन्छ।



        बजार वितरण

        बजार
        राजस्व (गत वर्ष)
        कुल राजस्व (%)
        उत्तर अमेरिका
        गोप्य

        25

        दक्षिण अमेरिका
        गोप्य
        2
        पूर्वी यूरोप
        गोप्य
        16
        दक्षिणपूर्वी एशिया
        गोप्य
        3
        अफ्रिका
        गोप्य
        2
        ओशिनिया
        गोप्य
        2
        मध्य पूर्व 
        गोप्य
        3
        पूर्वी एशिया
        गोप्य
        16
        पश्चिमी यूरोप
        गोप्य
        17
        मध्य अमेरिका
        गोप्य
        8
        उत्तरी यूरोप
        गोप्य
        1
        दक्षिणी युरोप
        गोप्य
        3
        दक्षिण एसिया
        गोप्य
        7
        घरेलु बजार
        गोप्य
        8



        हट ट्यागहरू: हेक्स फ्लैट जाम नट, चीन, निर्माता, आपूर्तिकर्ता, कारखाना
        सम्बन्धित श्रेणी
        सोधपुछ पठाउनुहोस्
        कृपया तलको फारममा आफ्नो सोधपुछ दिन स्वतन्त्र महसुस गर्नुहोस्। हामी तपाईंलाई 24 घण्टामा जवाफ दिनेछौं।
        X
        हामी तपाईंलाई राम्रो ब्राउजिङ अनुभव प्रदान गर्न, साइट ट्राफिक विश्लेषण र सामग्री निजीकृत गर्न कुकीहरू प्रयोग गर्छौं। यो साइट प्रयोग गरेर, तपाईं कुकीहरूको हाम्रो प्रयोगमा सहमत हुनुहुन्छ। गोपनीयता नीति
        अस्वीकार गर्नुहोस् स्वीकार गर्नुहोस्