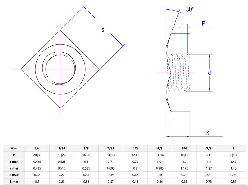
दमोटे स्क्वायर डी सकियोtएक आधारभूत, कुनै-frills फास्टन (मोटो पिच) र वर्ग आकारको साथ फाउन्ड्स फास्टनर हो। यसको कुनै न कुनै सतह समाप्त, प्राय: ZINC-BATEDED वा कालो अक्साइड-लेपित, रस्ट र ह्यान्डल कडा रोजगारहरू।

यदि तपाईंले कठोर वातावरणमा बोल्ट प्रयोग गर्न आवश्यक छ भने, तब तपाईं छनौट गर्न सक्नुहुन्छभद्दा स्क्वायर नट। यसको कच्चा सतहले फोहोर वा चिल्लो वातावरणमा अझ राम्रो देखिन्छ, कडा समयमा स्लिपेज कम गर्दै। वर्ग नट एक रेन्च वा pliers को साथ ठाउँमा लक गर्न सकिन्छ। यो मेसिनरी, कृषि उपकरण वा निर्माणका लागि उपयुक्त छ। कल्पना कोमल, केवल आधारभूत स्टील, उच्च शक्ति प्रयोग ह्यान्डल गर्न सजिलो।
मेकानिक्स पुरानो ट्रकहरू वा ट्र्याक्टरहरू अक्सर प्रयोग गर्छन्भद्दा स्क्वायर नटरस्ट्या वा लगाइएको बोल्टको लागि। कुनै न कुनै सतह बिग्रिएको थ्रेडलाई पोलिश नउहरू भन्दा राम्रो थ्रेड अपडेट गर्दछ, र वर्ग आकार भारी टोक़को अन्तर्गत गोल हुँदैन। निकास प्रणालीहरू, चश्लेस मर्मत, वा ग्रीस र ग्रिममा पर्दाफास। केवल यसलाई क्र्याक गर्नुहोस् र काम गरिरहनुहोस्।
जब किसानहरू मर्मत ह्ठो वा सिंचाई उपकरणहरू, तिनीहरू प्राय: प्रयोग गर्छन्भद्दा स्क्वायर नटकिनभने यो अपरेट गर्न सजिलो छ। राउब्यान्ड सतहले क्लोगिंग रोक्नको लागि फोहोर र डरको उपचार गर्न सक्दछ। वर्ग नट कडा रिक्त स्थानमा तय गर्न सकिन्छ। पन्जासँग पनि, यो सजिलै आधारभूत उपकरणहरू मात्र प्रयोग गर्न सकिन्छ। डाउनटाइम बिना द्रुत मर्मतमा आदर्श।

| बजार |
कुल राजस्व (%) |
| उत्तर अमेरिका |
15 |
| दक्षिण अमेरिका |
10 |
| पूर्वी यूरोप |
12 |
| दक्षिणपूर्व एशिया |
10 |
| बीचमा |
7 |
| पूर्वी एशिया |
17 |
| पश्चिमी यूरोप |
15 |
| दक्षिण एशिया |
6 |
| घरेलु बजार |
8 |
भद्दा स्क्वायर नटकम मर्मत लागत छ। जाँच गर्नुहोस् कि धागा लगाइएको छ वा प्रयोगको क्रममा बन्द छ। यदि कोटिंग लगाइएको छ भने यसलाई बदल्नुहोस्। यदि नट नुन वातावरणमा छ भने, थ्रेड हीट। अत्यधिक-आश्चर्यबाट बच्नुहोस्। बाक्लो थ्रेडहरू राम्रा भन्दा सजिलैसँग खस्छन्।