घर > उत्पादनहरू > काष्ठफल > स्क्वायर नट > एकल चयरको साथ कालो वर्ग नट
        एकल चयरको साथ कालो वर्ग नट
        • एकल चयरको साथ कालो वर्ग नटएकल चयरको साथ कालो वर्ग नट
        • एकल चयरको साथ कालो वर्ग नटएकल चयरको साथ कालो वर्ग नट
        • एकल चयरको साथ कालो वर्ग नटएकल चयरको साथ कालो वर्ग नट

        एकल चयरको साथ कालो वर्ग नट

        Xiaoguo® लगातार विचलित गर्दछ विभिन्न उद्योगहरुका लागि उच्च स्टेशन जोडिएको, उच्च च्यानरको साथ उच्च-शक्ति फस्टाउनको लागि आविष्कार गर्नुहोस्
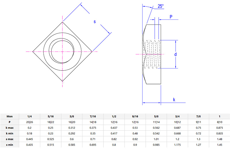
        मोडेल:BS 916-1953

        सोधपुछ पठाउनुहोस्

        उत्पादन विवरण

        कालो कोटी (सामान्यतया फास्फेट वा अक्साइड कोटिंग) एकल सालफरको साथ कालो वर्गको कोटिंग) नटले नटलाई रुटिनबाट रोक्दछ र यसलाई सादा उपस्थिति दिन्छ। तिनीहरू प्राय: निर्माण, मेसिनरी वा diy मा प्रयोग। वर्ग नट कडा ठाउँहरू वा नोटहरूको लागि बढी उपयुक्त छन्।

        उत्पादन विवरण

        कालो वर्ग नट एक which नट भन्दा एक रिन्च वा प्रतीकहरु को साथ एक whx नट भन्दा रिन्च वा प्रतीक होल्ड गर्नुहोस्, विशेष गरी कडा ठाउँमा। नट को सपाट सतह को सतहहरु को साथ फ्लश छ जस्तै काठ वा धातु, र नट स्थिर राख्नको लागि कुनै अतिरिक्त धुने आवश्यक छैन। प्रयोगकर्ताहरूले प्राय: फर्नीचर, डिरी फ्रेमहरू, वा मेशिनरीको लागि प्रयोग गर्छन् जुन कम प्रोफाइल आवश्यक पर्दछ। यसको डिजाइन सामान्य मर्मत वा भारी निर्माणको लागि उपयुक्त छ।

        अटोटोटिभ पसलमा, कालो वर्गोल नट कोष्ठकको साथ कालो वर्गोजरको साथ, निकास ह्यान्कारहरू, वा चेसिस अंशहरूको लागि प्रयोग गरिन्छ। फ्लैट आमबार दबाब पनि वितरण गर्दछ, पातलो धातुमा लगाउने कम गर्दछ। स्क्वायर स्क्वायर डिजाइन जस्तै मेकानिक्स किनभने यो सजिलैसँग उच्च टोक़ मुनि चल्दैन। कालो कोटिंग्सलाई ग्रीस र सडक ग्रिमको बिरूद्ध होल्ड गर्दछ, र तिनीहरू मानक मेट्रिक्स वा साई बोल्टको साथ उपयुक्त छन्।

        आउटडोर गियर फूलहरू, ट्रेलरहरू जस्तै, वा खेल मैदानहरू एकल चलमरको साथ कालो वर्गोल नटबाट लाभहरू फाइदा हुन्छन्। फ्ल्याट अनुहार बोल्ट थ्रेडहरूमा हेर्नबाट पानी रोक्दछ, र वर्ग आकार चीजहरू हल्लाए पछि पनि कडा रहन्छ। कालोले धातु वा चित्रित सतहहरू धातु वा चित्रित सतहहरूमा मिश्रण गर्दछ, र तिनीहरू मौसम वा भारी प्रयोग गर्न पर्याप्त कडा छन्। स्थिर रिटरिंगको आवश्यकता छैन, केवल स्थापना गर्नुहोस् र बिर्सनुहोस् र बिर्सनुहोस्।


        Black Square Nut with Single Chamfer

        Black Square Nut with Single Chamfer

        हाम्रो बजार वितरण

        बजार
        राजस्व (अघिल्लो वर्ष)
        कुल राजस्व (%)
        उत्तर अमेरिका
        गोपनीय
        10
        पूर्वी यूरोप
        गोपनीय
        23
        दक्षिणपूर्व एशिया
        गोपनीय
        3
        बीचमा
        गोपनीय
        5
        पूर्वी एशिया
        गोपनीय
        18
        पश्चिमी यूरोप
        गोपनीय
        15
        मध्य अमेरिका
        गोपनीय
        6
        दक्षिण एशिया
        गोपनीय
        5
        घरेलु बजार
        गोपनीय
        15


        अनुरक्षणसुझाव

        रस्ट वा स्ट्रिपड थ्रेडहरूको लागि एकल चलमरको साथ कालो वर्गो नट जाँच गर्नुहोस्। ब्ल्याक कोटिंग बन्द यदि कालो कोटिंग बन्द गर्नुहोस्, खुला स्टील पर्दाफास गर्दै। आउटडोर प्रयोगको लागि, हीस सुस्त विरोधाकरण गर्न ग्रीसहरू लागू गर्नुहोस्। ओभर-कसलाई बेवास्ता गर्नुहोस्, वर्ग नटले जबरजस्ती गर्न सक्दछ यदि बाध्य भएमा।



        हट ट्यागहरू: कालो वर्ग नट, चीन, चीन, निर्माता, आपूर्तिकर्ता, कारखाना
        सम्बन्धित श्रेणी
        सोधपुछ पठाउनुहोस्
        कृपया तलको फारममा आफ्नो सोधपुछ दिन स्वतन्त्र महसुस गर्नुहोस्। हामी तपाईंलाई 24 घण्टामा जवाफ दिनेछौं।
        X
        हामी तपाईंलाई राम्रो ब्राउजिङ अनुभव प्रदान गर्न, साइट ट्राफिक विश्लेषण र सामग्री निजीकृत गर्न कुकीहरू प्रयोग गर्छौं। यो साइट प्रयोग गरेर, तपाईं कुकीहरूको हाम्रो प्रयोगमा सहमत हुनुहुन्छ। गोपनीयता नीति
        अस्वीकार गर्नुहोस् स्वीकार गर्नुहोस्