पीसीबी बोर्डका लागि यी संयुक्त राष्ट्र रिभेटेड स्टडहरू सामान्यतया राम्रो स्टील मिश्र धातुहरू, जस्तै कम-कार्बन वा स्टेनलेस स्टील, वा एल्युमिनियमबाट बनाइन्छ। तिनीहरूसँग ठोस मेकानिकल बल छ र समयको साथ राम्रोसँग समात्नुहोस्।
स्टिलले सबैभन्दा तन्य र कतरनी शक्ति प्रदान गर्दछ। अर्कोतर्फ, एल्युमिनियमले राम्रोसँग बिजुली सञ्चालन गर्छ र हल्का हुन्छ।
यी स्टडहरूका लागि छनौट गरिएको धातुको अर्थ तिनीहरूले भारी मेकानिकल भारहरू, तताउने र शीतलन चक्रबाट तनावलाई ह्यान्डल गर्न सक्छन्, र उत्पादन प्रयोगमा रहेको सम्पूर्ण समय बलियो रहन सक्छन्।
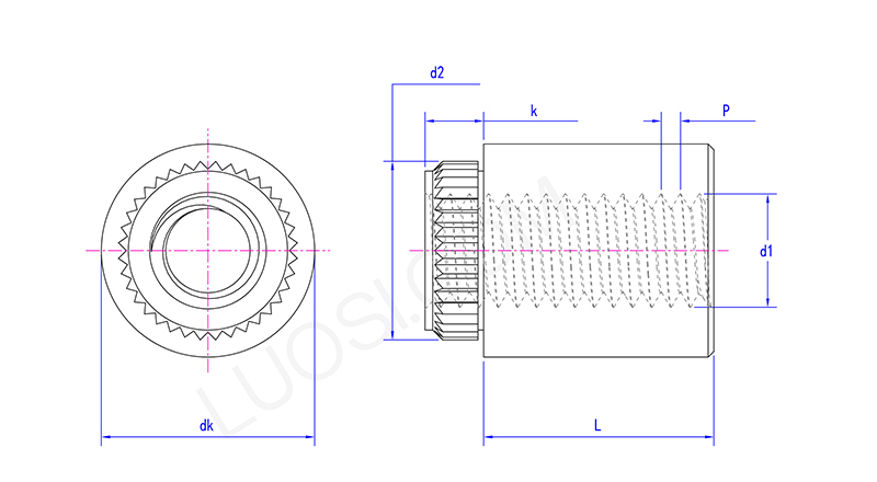
PCB बोर्डको लागि UN riveted stud स्थायी र उच्च-शक्तिको फास्टनर हो जुन मुद्रित सर्किट बोर्डहरू (PCBs) मा भरपर्दो बाह्य थ्रेडेड फिक्सेशन पोइन्ट प्रदान गर्न प्रयोग गरिन्छ। यहाँ, "UN" ले सामान्यतया "एकसमान राष्ट्रिय मानक" को प्रतिनिधित्व गर्दछ, जुन यसमा रहेको मानकीकृत स्क्रू थ्रेड प्रकारलाई जनाउँछ (जस्तै UNC वा UNF), जसले विभिन्न मानक नटहरूसँग यसको अनुकूलता सुनिश्चित गर्दछ।
स्थापना प्रक्रिया छिटो र कुशल छ। PCB बोर्डमा पूर्व-ड्रिल गरिएको प्वालमा स्टड घुसाउनुहोस्। त्यसपछि, स्टडको समतल छेउलाई विकृत गर्न समर्पित रिभेटिङ् उपकरण प्रयोग गर्नुहोस्, यसले रिभेटको टाउको र काँध वा स्टडको फ्ल्यान्जको बीचमा बाहिरी र दृढतापूर्वक पकड बनाउँदछ, यसरी वेल्डिङको आवश्यकता बिना बलियो र कम्पन-प्रतिरोधी जडान बनाउँछ।
यो विधि विशेष गरी परिदृश्यहरूको लागि उपयुक्त छ जसमा ठूलो मेकानिकल तनावको सामना गर्न आवश्यक छ, बहु प्लग-इन अपरेशनहरू गुजर्न आवश्यक छ, वा जहाँ वेल्डिङद्वारा उत्पन्न गर्मीले संवेदनशील घटकहरूलाई क्षति पुर्याउन सक्छ।
PCB बोर्डका लागि यी UN riveted stud लाई चिसो गठन वा riveting विधि प्रयोग गरी राखिन्छ।
तपाइँ PCB मा पूर्व ड्रिल गरिएको प्वाल मार्फत स्टड टाँस्नुहोस्। त्यसपछि एउटा विशेष रिभेटिङ् उपकरणले स्टडको टाउकोलाई बोर्ड मुनिको डाई विरुद्ध झुकाउँछ, स्थायी, फ्लेर्ड लक बनाउँछ जसले यसलाई ठाउँमा राख्छ।
चिसो प्रशोधन विधिले कम गर्मी उत्पन्न गर्छ र PCB लेमिनेट वा सर्किटरीलाई हानि गर्दैन। सही रूपमा स्थापना गर्दा, स्टडहरूले सर्किट बोर्डको संरचनामा सम्झौता नगरी बलियो र कम्पन-प्रतिरोधी निर्धारण प्रदान गर्दछ।

| बजार | राजस्व (गत वर्ष) | कुल राजस्व (%) |
| उत्तर अमेरिका | गोप्य | 20 |
| दक्षिण अमेरिका | गोप्य | 4 |
| पूर्वी यूरोप | गोप्य | 24 |
| दक्षिणपूर्वी एशिया | गोप्य | 2 |
| अफ्रिका | गोप्य | 2 |
| ओशिनिया | गोप्य | 1 |
| मध्य पूर्व | गोप्य | 4 |
| पूर्वी एशिया | गोप्य | 13 |
| पश्चिमी यूरोप | गोप्य | 18 |
| मध्य अमेरिका | गोप्य | 6 |
| उत्तरी यूरोप | गोप्य | 2 |
| दक्षिणी युरोप | गोप्य | 1 |
| दक्षिण एसिया | गोप्य | 4 |
| घरेलु बजार | गोप्य | 5 |