एक स्क्रूहरू आँखाबाल्टमा थ्रेड गरिएको छ र औंठीको टाउको छ। थ्रेडहरू सही रूपमा बदाम वा थ्रेड गरिएको प्वालहरूसँग कडाईका साथ काट्न सकिन्छ। औंठी हेड भारी तान्न को लागी बनेको छ, यसलाई लिफ्टिंग वा लि live ्ग लिंग गर्न भर पर्दै।
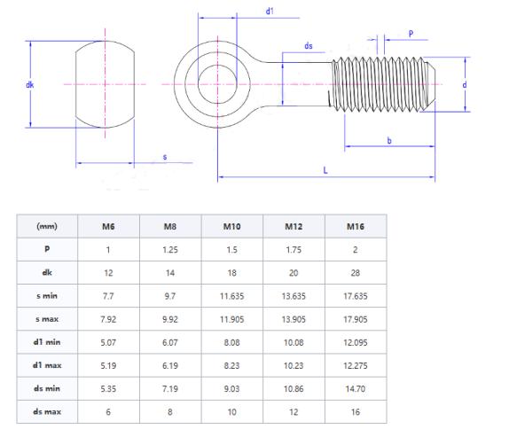
उत्पाद विवरण र प्यारामिटरहरू
प्रत्येक स्क्रूहरू आँखाको साथ तीन मुख्य चरणहरू मार्फत बनाउँदछ: तातो धातु आकार (जबरजस्ती), सटीक स्क्विड थ्रेडहरू र अन्तिम कोटिंग / उपचार काट्ने। यी चरणहरूले तिनीहरू QC 1 190 0 - 2012 मा मापन, शक्ति आवश्यकताहरू, र सतह आवश्यकताहरू मिलाउँदछन्। कुनै फेन्सीटाई बाह्यहरू छैन - केवल सीधा स्ट्रिफार्ड प्रक्रियाहरू हार्ड आवश्यकताहरू विरुद्ध जाँच गरियो। मामिलाले उनीहरू कत्ति ठूलो हुन सक्छ भनेर ढाक्न सक्छ, कति वजन, कति तौल समात्नुहोस्, र निश्चित रूपमा कुनै चिहान वा न कुनै दागहरू छन्। मूल रूपमा, यदि एक आँखाले कारखाना छोड्छ भने, स्क्रू नेक्सको आँखामा छ, मेशीनले, समाप्त भयो, र उद्देश्यको रूपमा काम गर्नको लागि परीक्षण गरीएको छ।

विधानसभाको बखत ईन्जिन र गियरबक्सहरू उठाउन कार कारखानामा प्याकेजहरू कार कारखानाहरूमा प्रयोग गरिन्छ। निर्माण साइटहरूमा, तिनीहरूले स्टील बीम वा कंक्रीट स्ल्याब जस्ता भारी सामानहरू। साधारण डिजाइन, कठिन दैनिक भारी लिफ्टिंग को लागी पर्याप्त।
बजार वितरण
| बजार | राजस्व (अघिल्लो वर्ष) | कुल राजस्व (%) |
| उत्तर अमेरिका | गोपनीय | 23 |
| दक्षिण अमेरिका | गोपनीय | 6 |
| पूर्वी यूरोप | गोपनीय | 15 |
| दक्षिणपूर्व एशिया | गोपनीय | 3 |
| ओशिनिया | गोपनीय | 3 |
| बीचमा | गोपनीय | 2 |
| पूर्वी एशिया | गोपनीय | 18 |
| पश्चिमी यूरोप | गोपनीय | 12 |
| मध्य अमेरिका | गोपनीय | 5 |
| दक्षिण एशिया | गोपनीय | 6 |
घरेलु बजार | गोपनीय | 7 |
उत्पादको प्रयोग
स्क्रूहरू नेक्सको मुख्य उद्देश्य भनेको सुरक्षित लिफ्टिंग र कडा वस्तुहरूको स्थिर जडान प्राप्त गर्नु हो। औद्योगिक उत्पादनमा, यो सम्मेलन वा मर्मतका लागि तोकिएको स्थानहरू तोकिएको ठूला मेकानिकल भागहरू उठाउन प्रयोग गरिन्छ; निर्माण साइटहरूमा, यो विभिन्न निर्माण सामग्री निर्माण भुइँमा विभिन्न निर्माण सामग्रीमा लिनको लागि प्रयोग गरिन्छ। दैनिक जीवनमा, यो फर्नीचर र उपकरण जस्ता भारी वस्तुहरू उठाउन पनि प्रयोग गर्न सकिन्छ। क्र्यान्स जस्ता उपकरणहरू सहित सहयोग गरेर, निन्द्राको विस्थापनहरू प्राप्त गर्न एक कुञ्जी कनेक्टर बन्छ।