घर > उत्पादनहरू > काष्ठफल > गोलो नट > स्लट संग गोलो नट
        स्लट संग गोलो नट
        • स्लट संग गोलो नटस्लट संग गोलो नट
        • स्लट संग गोलो नटस्लट संग गोलो नट

        स्लट संग गोलो नट

        स्लटको साथ चीनमा बनेको Xiaoguo® राउन्ड नटले राष्ट्रिय मापदण्ड GB812, जर्मन मानक DIN 981, र अन्तर्राष्ट्रिय मानक ISO 7718 को पालना गर्दछ। त्यसैले, उत्पादनको आकार र थ्रेड सटीकतालाई कडाइका साथ नियमन गरिएको छ र पत्ता लगाउन सकिन्छ। स्लट नि: शुल्क नमूनाको साथ गोल नट हामी हाम्रो सहयोगको प्रारम्भिक चरणमा यो नमूना प्रदान गर्नेछौं।

        सोधपुछ पठाउनुहोस्

        उत्पादन विवरण

        अनुकूलन प्रक्रिया

        स्लटको साथ गैर-मानक राउन्ड नटको लागि सामान्य अनुकूलन प्रक्रिया हो:

        (1) माग संचार: स्पष्ट रूपमा उत्पादन को कार्य, आयाम, सामग्री, आदि को लागी आवश्यकताहरु परिभाषित गर्नुहोस्।

        (2) रेखाचित्र पुष्टिकरण: 2D/3D रेखाचित्रहरू प्रदान गर्नुहोस् र आयामहरू र सहिष्णुताहरू पुष्टि गर्न इन्जिनियरहरूसँग सञ्चार गर्नुहोस्।

        (3) नमूना उत्पादन: मोल्ड नमूनाहरू उत्पादन गर्न बनाइन्छ, र तिनीहरूले परीक्षण र प्रमाणीकरण पास गरेपछि, फोटो र भिडियोहरू ग्राहकहरूलाई प्रदान गरिनेछ।

        (4) ठूलो उत्पादन: ग्राहकले नमूना योग्य छ भनेर पुष्टि गरेपछि, ठूलो उत्पादन चरण सुरु हुन्छ।

        (5) डेलिभरीमा गुणस्तर निरीक्षण: ढुवानी अघि कठोर निरीक्षणहरू सञ्चालन गरिन्छ, र गुणस्तर रिपोर्टहरू सामानहरूसँगै प्रदान गरिन्छ।

        Round Nut with Slot

        अनुकूलन योग्य मुख्य पक्षहरू

        स्लटको साथ राउन्ड नटको लागि गैर-मानक अनुकूलन सेवा धेरै परिपक्व छ। लगभग सबै कुञ्जी प्यारामिटरहरू लचिलो रूपमा तपाइँको वास्तविक उपयोग अनुसार समायोजित गर्न सकिन्छ।

        (1) आयाम र निर्दिष्टीकरण:

        पूर्ण-आकार समायोजन: बाहिरी व्यास, भित्री व्यास, र मोटाई (उचाइ) सबै अनुकूलित गर्न सकिन्छ।

        विशेष अनुकूलन: अनुकूलित संस्करणहरू जस्तै लम्बाइ, चरणबद्ध, अन्धा-प्वाल प्रकारहरू, आदि नटहरू प्रदान गर्न सकिन्छ।

        (2) थ्रेड प्यारामिटरहरू:

        विविध थ्रेड मानकहरू: सामान्यतया प्रयोग हुने मेट्रिक फाइन थ्रेडहरूको अतिरिक्त, यसले मेट्रिक मोटे थ्रेडहरू, अमेरिकी मानक थ्रेडहरू, र ब्रिटिश मानक थ्रेडहरू, आदिलाई पनि समर्थन गर्दछ।

        विशेष थ्रेड प्रकार: थ्रेड आवश्यकता अनुसार अनुकूलित गर्न सकिन्छ।


        (3) सामग्री चयन:

        धातु सामग्री: कार्बन स्टील, मिश्र धातु इस्पात, स्टेनलेस स्टील, पीतल, आल्मुनियम मिश्र धातु, टाइटेनियम मिश्र धातु, आदि।

        गैर-धातु सामग्री: केहि विशेष अनुप्रयोगहरूको लागि, नायलन र PEEK प्रयोग गर्न सकिन्छ।

        (४) यान्त्रिक गुणहरू:

        शक्ति ग्रेड: स्लटको साथ राउन्ड नटको लागि अनुकूलन विकल्पहरूमा 4.8, 8.8, 10.9, र 12.9 जस्ता ग्रेडहरू समावेश छन्, विभिन्न प्रदर्शन आवश्यकताहरू पूरा गर्न डिजाइन गरिएको।

        मेकानिकल संकेतकहरू: वास्तविक आवश्यकताहरू अनुसार अनुकूलित गर्न सकिन्छ।

        (5) सतह उपचार:

        ग्याल्भेनाइजिङ, ब्ल्याकनिङ, डक्ट्रोन कोटिंग, र निकल प्लेटिङ जस्ता प्रक्रियाहरू समावेश छन्।

        (6) स्लट-प्रकार डिजाइन:

        एन्टि-लूजिङ वा स्थापनाको लागि आवश्यकताहरू अनुसार, विभिन्न संख्याहरू, चौडाइहरू, गहिराइहरू वा स्लटहरूको विशेष आकारहरू डिजाइन गर्न सकिन्छ।

        (7) गैर-मानक मापदण्डहरू: राष्ट्रिय मानकहरू (GB), जर्मन मानकहरू (DIN), अमेरिकी मानकहरू (ANSI), र जापानी मानकहरू (JIS) जस्ता विभिन्न मानक प्रणालीहरूको लागि गैर-मानक संस्करणहरूको रूपान्तरणलाई समर्थन गर्नुहोस्।

        Round Nut with Slot

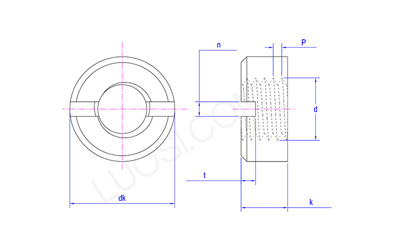
        सोम M3.5 M4 M5 M6 M8 M10 M12 M14 M16 M18 M20
        P 0.6 0.7 0.8 1 1.25 1.5 1.75 2 2 2.5 2.5
        dk अधिकतम 7 8 9 11 14 18 21 24 26 29 32
        dk मिनेट 6.64 7.64 8.64 10.57 13.57 17.57 20.48 23.48 25.48 28.48 31.38
        k अधिकतम 3 3.5 4.2 5 6.5 8 10 11 12 13 14
        k मिनेट 2.75 3.2 3.9 4.7 6.14 7.64 9.64 10.57 11.57 12.57 13.57
        n मिनेट 1.46 1.46 2.06 2.56 3.06 3.57 4.07 4.07 4.07 4.07 5.07
        n अधिकतम 1.71 1.71 2.31 2.81 3.31 3.87 4.37 4.37 4.37 4.37 5.37
        t मिनेट 1 1.2 15 2 2.5 3.2 3.8 3.8 3.8 4.8 4.8
        t अधिकतम 1.40 1.60 1.90 2.4 3 3.7 4.3 4.3 4.3 5.5 5.5
        हट ट्यागहरू: स्लट, चीन, निर्माता, आपूर्तिकर्ता, कारखाना संग गोलो नट
        सम्बन्धित श्रेणी
        सोधपुछ पठाउनुहोस्
        कृपया तलको फारममा आफ्नो सोधपुछ दिन स्वतन्त्र महसुस गर्नुहोस्। हामी तपाईंलाई 24 घण्टामा जवाफ दिनेछौं।
        X
        हामी तपाईंलाई राम्रो ब्राउजिङ अनुभव प्रदान गर्न, साइट ट्राफिक विश्लेषण र सामग्री निजीकृत गर्न कुकीहरू प्रयोग गर्छौं। यो साइट प्रयोग गरेर, तपाईं कुकीहरूको हाम्रो प्रयोगमा सहमत हुनुहुन्छ। गोपनीयता नीति
        अस्वीकार गर्नुहोस् स्वीकार गर्नुहोस्