नक्कली आँखा बोल्टबलियो फास्टनरहरू उठाइने, धाँधली गर्न र एंकरिङका लागि प्रयोग गरिन्छ। तिनीहरूको एक छेउमा गोलो "आँखा" लुप र अर्कोमा थ्रेडेड शाफ्ट छ। यसले तपाईंलाई केबल, डोरी वा चेनहरू सुरक्षित रूपमा जोड्न दिन्छ। तिनीहरू दुवै गतिशील र स्थिर लोडहरू ह्यान्डल गर्न बनाइएका छन्। तपाईंले तिनीहरूलाई निर्माण, समुद्री काम, र रसदमा धेरै देख्नुहुनेछ।
त्यहाँ विभिन्न प्रकारहरू छन्, जस्तै काँध बोल्ट, मेसिनरी बोल्ट, र स्क्रू आँखा। प्रत्येक प्रकारले फरक लोड आकार र वातावरणको लागि काम गर्दछ। तिनीहरूको डिजाइन कडा र भरपर्दो छ, जसले तिनीहरूलाई चीजहरू सुरक्षित राख्न र औद्योगिक सेटिङहरूमा राम्रोसँग काम गर्न महत्त्वपूर्ण बनाउँछ।
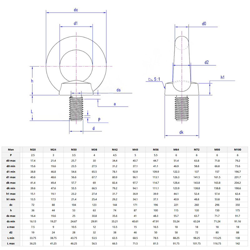
नक्कली आँखा बोल्टM6 देखि M48 सम्मका थ्रेड साइजहरूमा आउँछन्, र तिनीहरूलाई 50kg देखि 20 टन भन्दा बढी भारको लागि मूल्याङ्कन गरिन्छ। यदि तपाइँ काँध-प्रकारको प्रयोग गर्दै हुनुहुन्छ भने, केवल सम्झनुहोस् - तपाइँले उनीहरूको अधिकतम वजन मूल्याङ्कनमा हिट गर्न सबै तरिकामा स्क्रू गर्नुपर्छ। आँखा चिम्लाउने ? ती हल्का कामहरूको लागि राम्रो छन्। तिनीहरूले DIN, ISO, वा ASTM जस्ता प्रमाणपत्रहरू पाएका छन् कि छैनन् भनी सधैं जाँच गर्नुहोस् - यसरी तपाईंलाई थाहा छ तिनीहरू वैध छन्।
आँखाको आकार, ठूला लम्बाइ र थ्रेड स्पेसिङ जस्ता सामानहरू तपाईंको काममा निर्भर हुन्छन्, त्यसैले बेमेलहरूबाट बच्न वजन चार्टहरू क्रस-चेक गर्नुहोस्। एक विशेष परियोजना को लागी केहि अजीब चाहिन्छ? केही आपूर्तिकर्ताहरूले तपाईंको लागि आकार वा थ्रेडहरू पनि ट्वीक गर्नेछन्। अर्डर गर्दा विवरणहरू नछोड्नुहोस्।

प्रश्न: तपाईको अधिकतम तौल क्षमता कति छ?नक्कली आँखा बोल्ट, र यो कसरी निर्धारण गरिन्छ?
A: यसले कति तौल समात्न सक्छ भन्ने कुरा वास्तवमा तीनवटा कुरामा आउँछ: यो केबाट बनेको हो, यो कति मोटो छ, र कसरी बनाइएको छ। उदाहरणका लागि, कार्बन स्टिल नक्कली लिनुहोस् - तिनीहरू स्ट्याम्प वा झुकाव संस्करणहरू भन्दा कडा छन् र 0.25 टन देखि 11 टन सम्म कहीं पनि ह्यान्डल गर्न सक्छन्। कार्य भार सीमा (WLL) - त्यो अधिकतम सुरक्षित तौल हो जुन तिनीहरूले ह्यान्डल गर्न सक्छन् - ASME B30.26 वा DIN 580 जस्ता नियमहरू प्रयोग गरेर पत्ता लगाइन्छ। यी नियमहरू सुरक्षा कुसनमा बनाइन्छ, सामान्यतया 4:1 वा 5:1 अनुपात, त्यसैले तिनीहरू संख्याले सुझाव दिएभन्दा धेरै बलियो हुन्छन्। मूलतया, यदि यसलाई 1 टनको लागि मूल्याङ्कन गरिएको छ भने, यो वास्तवमा 4 वा 5 टन ह्यान्डल गर्नको लागि बनाइएको छ कुनै पनि पक्षमा जानु अघि।