घर > उत्पादनहरू > बोल्ट > गोल हेड बोल्ट > माछा बोल्ट प्रोफाइल
        माछा बोल्ट प्रोफाइल
        • माछा बोल्ट प्रोफाइलमाछा बोल्ट प्रोफाइल
        • माछा बोल्ट प्रोफाइलमाछा बोल्ट प्रोफाइल
        • माछा बोल्ट प्रोफाइलमाछा बोल्ट प्रोफाइल

        माछा बोल्ट प्रोफाइल

        माछा बोल्ट प्रोफाइल Xiaoguo® कारखाना द्वारा उत्पादित माछा बोल्ट प्रोफाइल सटीक प्रशोधन गुजरेको छ। सबै उत्पादन प्रक्रियाहरू कडा निरीक्षणबाट गुज्रिएका छन्। AS 1085.4-2002 को मानक अनुसार, तपाईंले उत्पादनको गुणस्तरको बारेमा चिन्ता लिनु पर्दैन। हामी तपाईंलाई परीक्षण गर्नको लागि नि: शुल्क नमूनाहरू प्रस्ताव गर्दछौं।
        मोडेल:ASME/ANSI B18.10-1-2006

        सोधपुछ पठाउनुहोस्

        उत्पादन विवरण

        माछा बोल्ट प्रोफाइलमुख्यतया ट्र्याकमा फिश प्लेटहरू जडान गर्न प्रयोग गरिन्छ, जसले रेलवे ट्र्याकका दुई खण्डहरूलाई बलियो रूपमा जोडिएको लामो ट्र्याक बनाउन सक्षम पार्छ। हामी विभिन्न अन्तर्राष्ट्रिय मापदण्डहरू, जस्तै BS, ASTM, DIN र अन्य मापदण्डहरू अनुसार उत्पादन गर्न सक्छौं।

        उत्पादन विवरण

        त्यहाँ बोल्टको धेरै टाउको आकारहरू छन्, जस्तै गोल हेड, वर्ग हेड र हेक्सागोनल हेड। यसको पेंच भाग थ्रेडेड छ, र आकार विशिष्टता धेरै विविध छन्। व्यास सामान्यतया M10 देखि M24 सम्म हुन्छ, र लम्बाइ पनि दसौं मिलिमिटर देखि एक सय मिलिमिटर सम्म हुन सक्छ। साधारण सामग्रीहरूमा कार्बन स्टील, जस्तै Q235 र 45# स्टील, साथै स्टेनलेस स्टील समावेश छ।

        माछा बोल्ट प्रोफाइलरेलवे उद्योगमा प्रयोग गरिन्छ। रेलवे ट्र्याकहरू बिछ्याउँदा, तिनीहरू एक पछि अर्को रेलको खण्डहरू जडान गर्न प्रयोग गरिन्छ। हरेक दिन, ट्र्याकहरू धेरै छिटो र भारी रेलहरूबाट गुजर्छन्, जसले महत्त्वपूर्ण कम्पन र दबाब उत्पन्न गर्दछ। बोल्टले रेल जोडहरूलाई दृढतापूर्वक लक गर्न सक्छ जसले ट्र्याकको स्थिरता सुनिश्चित गर्दछ, र ट्रेनलाई सुरक्षित र सहज रूपमा चल्न सक्षम बनाउँछ। लामो दूरीको ढुवानीका लागि मालवाहक रेल होस् वा यात्रु ओसारपसारका लागि उच्च गतिको रेल र साधारण रेल होस्, तिनीहरूमध्ये कुनै पनि बिना चल्दैन।

        Fish bolt profile

        उत्पादन बिक्री बिन्दु

        माछा बोल्ट प्रोफाइलजडान दृढ र व्यावहारिक दुवै छ। यसले रेलवे ट्र्याकहरूको जोडहरू दृढतापूर्वक ठीक गर्न सक्छ। जब ट्रेन चलिरहेको हुन्छ, ट्र्याकहरू सजिलै सार्न वा ढिलो हुँदैनन्। थप रूपमा, यसको बलियो बहुमुखी प्रतिभा छ र भारी रेलवे, हल्का रेलहरू र उद्योगमा केही ट्र्याकहरूमा प्रयोग गर्न सकिन्छ।

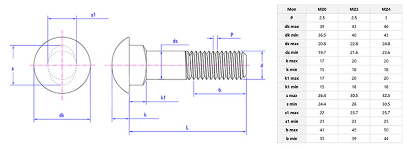
        उत्पादन मापदण्डहरू

        Fish bolt profile


        उत्पादन प्याकेजिङ

        फिश बोल्ट प्रोफाइलको प्याकेजिङ्ग व्यावहारिक भण्डारण र यातायातको लागि बनाइएको हो। प्रत्येक ब्याचलाई पहिले साइजद्वारा क्रमबद्ध गरिन्छ, त्यसपछि ५० वा १०० टुक्रा प्रति झोलामा मोटो प्लास्टिकको झोलामा प्याक गरिन्छ। झोलाहरू धुलो र चिस्यानलाई बाहिर राख्न, खिया वा धागोको क्षतिबाट बच्न कडा रूपमा बन्द गरिएको छ। यी साना झोलाहरू नालीदार कार्टनहरूमा राखिन्छन्। प्रत्येक कार्टनमा आधारभूत जानकारी सहितको लेबल हुन्छ: साइज, मात्रा, उत्पादन मिति र ब्याच नम्बर। बल्क अर्डरहरूको लागि, कार्टनहरू काठको प्यालेटहरूमा स्ट्याक गरिएका छन् र ट्रान्जिटको समयमा स्थानान्तरण रोक्नको लागि स्टिलका पट्टाहरूसँग फिक्स गरिन्छ। यो प्याकेजिङ्ग विधि ह्यान्डल गर्न सजिलो छ, चाहे गोदाम भण्डारणको लागि वा साइटमा प्रयोगको लागि। यसले घरेलु र अन्तर्राष्ट्रिय ढुवानीका लागि द्रुत सूची जाँच र अर्डर पूर्तिमा पनि मद्दत गर्दछ।


        प्रश्नोत्तर सत्र

        प्रश्न: फिश बोल्ट प्रोफाइलमा कुन मानक विशिष्टताहरू छन्?

        A: फिश बोल्ट प्रोफाइल मुख्यतया अन्तर्राष्ट्रिय रेलवे फास्टनर मानकहरू जस्तै DIN र ISO पालना गर्दछ। सामान्य विनिर्देशहरूमा 16mm देखि 30mm सम्मको शंङ्क व्यास र 80mm देखि 200mm सम्म लम्बाइ समावेश छ। यी प्यारामिटरहरू रेल र स्लीपरहरू जडान गर्नका लागि अनुकूल छन्। हामी विस्तृत विवरण तालिका प्रदान गर्न सक्छौं, र अनुकूलित माछा बोल्ट प्रोफाइल पनि तपाईंको विशिष्ट रेल परियोजना आवश्यकताहरूको आधारमा उपलब्ध छ।  



        हट ट्यागहरू: माछा बोल्ट प्रोफाइल, चीन, निर्माता, आपूर्तिकर्ता, कारखाना
        सम्बन्धित श्रेणी
        सोधपुछ पठाउनुहोस्
        कृपया तलको फारममा आफ्नो सोधपुछ दिन स्वतन्त्र महसुस गर्नुहोस्। हामी तपाईंलाई 24 घण्टामा जवाफ दिनेछौं।
        X
        हामी तपाईंलाई राम्रो ब्राउजिङ अनुभव प्रदान गर्न, साइट ट्राफिक विश्लेषण र सामग्री निजीकृत गर्न कुकीहरू प्रयोग गर्छौं। यो साइट प्रयोग गरेर, तपाईं कुकीहरूको हाम्रो प्रयोगमा सहमत हुनुहुन्छ। गोपनीयता नीति
        अस्वीकार गर्नुहोस् स्वीकार गर्नुहोस्