एक उच्च शक्ति प्रक्षेपण प्रक्षेपण वेल्डिंग बोल्टको एक विशेष प्रकारको फास्टनर हो जुन कडा र सजिलैसँग धातु पानाहरू वा संरचनाहरूमा जडान गर्न गरिएको छ। यसको अनुमानहरू छन् - सामान्यतया घण्टीहरू वा सानो बम्पहरू धातु छुनुहोस्, र यी सटक्त आकारहरूमा बनेका छन्।
जब तपाईं यसलाई कमजोर पार्नुहुन्छ, धेरै बिजुली वर्तमान यी अनुमानहरूमा केन्द्रित हुन्छ। यसले धातुलाई वास्तवमा तातो बनाउँदछ, पग्लन्छ, र त्यसपछि जब यो चिसो हुन्छ, यसले एक कडा वेल्ड बनाउँदछ। यस वेल्डले उच्च शक्ति अनुहार प्रक्षेपण प्रस्तुत गर्दछ जुन तपाईंले काम गरिरहनु भएको टुक्रालाई कसेको रूपमा बल्दै गरेको छ।
उच्च शक्ति आश्रित प्रक्षेपणको मुख्य काम भनेको बोल्टको मुख्य काम स्थायी, थ्रेड-आधारित संलग्न बिन्दु सिर्जना गर्नु हो जुन वजन होल्ड गर्न सक्दछ। तपाईंलाई वेल्ड गर्न तपाईंलाई विशेष प्रक्षेपण वेल्डिंग उपकरण चाहिन्छ।
इलेक्टोरोडहरूले तल दबाव दिन्छ र बोल्टको अनुमानहरू र धातुको टुक्राबाट धेरै विद्युत पठाउँछन्। वेल्डिंग बोल्ट बनाइएको तरिका केवल अनुमानहरू पग्लदैन - अधिक केहि पनि छैन। जब तिनीहरू शान्त हुन्छन्, तिनीहरू कडा धातुको बन्धन बनाउँदछन्, र यसको वरिपरि धातु झुकाउँदैन वा कममा परेका छैनन्।
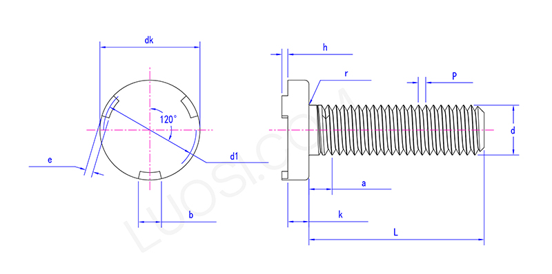
| सोमबार | M5 | एम 3 | एम गुलु | M10 |
| P | 0.8 | 1 | 1.25 | 5 |
| Dk अधिकतम | 12.4 | 14.4 | 16.4 | 20.4 |
| Dk मिनेट | 11.6 | 13.6 | 15.6 | 19.6 |
| के | 2 | 2.2 | 3.2 | 4.2 |
| केय | 1.6 | 1.8 | 3.2 | 4.2 |
| र अधिकतम | 2.25 | 2.75 | 2.25 | 2.75 |
| E मिनेट | 1.75 | 2.25 | 1.75 | 2.25 |
| b अधिकतम | 3.3 | 4.3 | 5.3 | 6.3 |
| B मिनेट | 2.7 | 3.7 | 4.7 | 5.7 |
| एच अधिकतम | 0.8 | 0.9 | 1.1 | 1.3 |
| आवजन | 0.6 | 0.75 | 0.9 | 1.1 |
| D1 अधिकतम | 10 | 11.5 | 14 | 17.5 |
| D1 मिनेट | 9 | 10.5 | 13 | 16.5 |
| R मिनेट | 0.2 | 0.25 | 0.4 | 0.4 |
| आर अधिकतम | 0.6 | 0.7 | 0.9 | 1.2 |
| अधिकतम | 3.2 | 4 | 5 | 5 |

एक उच्च बल प्रक्षेपण प्रक्षेपण वेल्डिंग बोल्टमा थोरै बौरीने भागहरू - सामान्यतया घण्टीहरू वा सानो डेन्टहरू - पक्षमा छ कि। जब तपाईं यसलाई कमजोर पार्नुहुन्छ, धेरै बिजुली उभिएका तीहरूमा केन्द्रित हुन्छ। तिनीहरू आधार धातुको बिरूद्ध टाढा पग्लन्छन्, जबकि इलेक्ट्रोडले थिच्दै छ।
यसले बलियो, कडा वेल्ड गर्दछ जुन बोल्ट राम्रोसँग राख्दछ। तिनीहरू पाना धातु रोजगारको लागि ठूलो काम गर्छन्।