वसन्त लोड स्क्रू
        • वसन्त लोड स्क्रूवसन्त लोड स्क्रू
        • वसन्त लोड स्क्रूवसन्त लोड स्क्रू
        • वसन्त लोड स्क्रूवसन्त लोड स्क्रू
        • वसन्त लोड स्क्रूवसन्त लोड स्क्रू
        • वसन्त लोड स्क्रूवसन्त लोड स्क्रू

        वसन्त लोड स्क्रू

        स्प्रिङ लोडेड स्क्रूहरू प्राय: कम्पन प्रतिरोध, थर्मल विस्तार क्षतिपूर्ति, वा अटोमोटिभ वा इलेक्ट्रोनिक्स जस्ता नियन्त्रित क्ल्याम्पिङ बल चाहिने अनुप्रयोगहरूमा प्रयोग गरिन्छ। Xiaoguo® सँग व्यावसायिक उपकरणहरू र व्यावसायिक कर्मचारीहरू छन्, पेशेवर सेवाहरू प्रदान गर्दछ, र एक प्रसिद्ध चिनियाँ निर्माता हो।

        सोधपुछ पठाउनुहोस्

        उत्पादन विवरण

        वसन्त लोड गरिएको स्क्रूले राम्रो र लामो समयसम्म काम गर्न विभिन्न उन्नत सतह उपचारहरू प्राप्त गर्दछ। सामान्यमा इलेक्ट्रोप्लेटेड जस्ता, कहिलेकाहीँ पहेंलो, नीलो, वा स्पष्ट क्रोमेट प्यासिभेशनसँग खियासँग लड्न र राम्रो देखिन समावेश गर्दछ। त्यहाँ कडा Geomet® (जुन Dacromet, जस्ता-फ्लेक कोटिंग जस्तै हो), टिकाऊ फस्फेट कोटिंग्स (जस्तै तेल समात्न र घर्षण समायोजन गर्न म्यांगनीज वा जिंक फस्फेट), वा फेन्सी ड्राई फिल्म लुब्रिकेन्टहरू पनि छन्।


        स्टेनलेस स्प्रिंग-लोड गरिएको स्क्रू सामान्यतया तिनीहरूको प्राकृतिक जंग प्रतिरोध बढाउनको लागि निष्क्रिय हुन्छ। यी उपचारहरूले तिनीहरूलाई खिया लाग्नबाट जोगाउँछ, तपाईंले तिनीहरूलाई स्थापना गर्दा घर्षण घटाउनुहुन्छ (त्यसैले तपाईंले थप सटीक क्ल्याम्प लोड प्राप्त गर्नुहुन्छ), र तिनीहरूलाई विशेष विद्युतीय गुणहरू पनि दिन सक्नुहुन्छ।

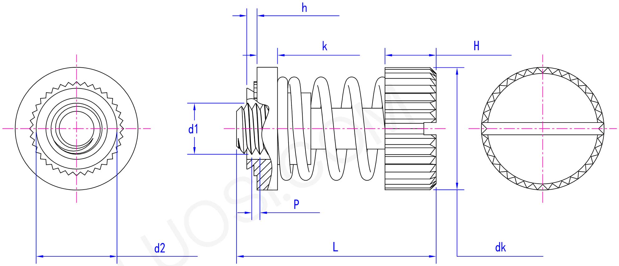
        उत्पादन मापदण्डहरू

        सोम 440 632 832 032
        P 40 32 32 32
        d1 #४ #६ #8 #१०
        d2 अधिकतम 0.202 0.218 0.249 0.311
        dk अधिकतम 0.416 0.448 0.478 0.54
        dk मिनेट 0.396 0.428 0.458 0.52
        h अधिकतम 0.038 0.038 0.038 0.038
        k अधिकतम

        0.128

        0.128 0.128 0.12
        k मिनेट ०.११८ 0.118 0.118 0.118 0.11
        H अधिकतम 0.207 0.207 0.212 0.225
        H मिनेट 0.197 0.197 0.202 0.215




        साइज

        वसन्त-लोड गरिएको स्क्रू विभिन्न इन्जिनियरिङ आवश्यकताहरू फिट गर्न आकार र प्रकारहरूमा आउँछ। मेट्रिक थ्रेडहरूका लागि, सामान्य आकारहरू Fine-thread M2 देखि M12 वा ठूलासम्म जान्छन्। इम्पीरियल आकारहरू #4 देखि 1/2 इन्च व्यासमा हुन्छन्। एप्लिकेसनमा कति गहिराइमा जान आवश्यक छ भन्ने आधारमा लम्बाइ धेरै परिवर्तन हुन्छ।


        महत्त्वपूर्ण चश्माहरूमा थ्रेड पिच, हेड स्टाइल (जस्तै हेक्स, फ्ल्यान्ज, बटन, वा सकेट क्याप), ड्राइभको प्रकार (हेक्स सकेट, फिलिप्स, टोरक्स®), र बिल्ट-इन वसन्त भागको डिजाइन (बेलेभिल वाशर, वेभ स्प्रिङ, वा एक विशिष्ट थ्रेड आकार सोच्नुहोस्) समावेश छन्। धेरै जसो मानकहरू जस्तै DIN, ISO, वा OEM लाई के चाहिन्छ।

        Spring Loaded Screw

        गुणस्तर मापदण्ड र उद्योग प्रमाणीकरण

        Q: के यसले अन्तर्राष्ट्रिय गुणस्तर मापदण्डहरू जस्तै ISO वा विशिष्ट उद्योग प्रमाणपत्रहरूको पालना गर्छ?

        A: हो, हामी उत्पादनलाई गम्भीर रूपमा लिन्छौं। हाम्रा स्प्रिङ लोडेड स्क्रूहरू गुणस्तर नियन्त्रणको लागि ISO 9001 जस्ता ISO मानकहरू पालना गर्न बनाइएका छन्। यदि तपाईंलाई उद्योग-विशेष प्रमाणपत्रहरू चाहिन्छ भने, हामी त्यो पनि गर्न सक्छौं, मोटर वाहनको लागि IATF 16949 वा एयरोस्पेसको लागि AS9100 जस्ता चीजहरू। हामी प्रत्येक ब्याचको लागि सामग्री प्रमाणीकरण रिपोर्टहरू (MTCs) र आयाम जाँचहरू प्रदान गर्न सक्छौं। यस तरिकाले, तपाइँ सामग्रीहरू कहाँबाट आयो भनेर ट्र्याक गर्न सक्नुहुन्छ र सबै कुरा तपाइँको परियोजनाको चश्मा पूरा गर्दछ भनेर सुनिश्चित गर्नुहोस्।


        हट ट्यागहरू: वसन्त लोड स्क्रू, चीन, निर्माता, आपूर्तिकर्ता, कारखाना
        सम्बन्धित श्रेणी
        सोधपुछ पठाउनुहोस्
        कृपया तलको फारममा आफ्नो सोधपुछ दिन स्वतन्त्र महसुस गर्नुहोस्। हामी तपाईंलाई 24 घण्टामा जवाफ दिनेछौं।
        X
        हामी तपाईंलाई राम्रो ब्राउजिङ अनुभव प्रदान गर्न, साइट ट्राफिक विश्लेषण र सामग्री निजीकृत गर्न कुकीहरू प्रयोग गर्छौं। यो साइट प्रयोग गरेर, तपाईं कुकीहरूको हाम्रो प्रयोगमा सहमत हुनुहुन्छ। गोपनीयता नीति
        अस्वीकार गर्नुहोस् स्वीकार गर्नुहोस्