प्लास्टिक विस्तार गर्ने रिभेट क्लिपहरूको प्राकृतिक विशेषताहरूले यसलाई विशेष, विशिष्ट प्रयोगहरूको लागि राम्रो बनाउँछ। किनकि यसले बिजुली सञ्चालन गर्दैन, यो बिजुली बक्स र उच्च-भोल्टेज क्षेत्रहरूमा साँच्चै महत्त्वपूर्ण छ। यसले स्पार्कहरू बनाउँदैन, जुन विस्फोट हुन सक्ने ठाउँहरूमा वास्तवमै आवश्यक हुन्छ (ATEX क्षेत्रहरू)।
तपाईले MRI कोठा र संवेदनशील इलेक्ट्रोनिक्समा यो बिना गर्न सक्नुहुन्न, जहाँ धातु पिनबाट सानो चुम्बकीय क्षेत्रहरू मात्र अनुमति छैन।

राम्रो प्लास्टिक विस्तार गर्ने रिभेट क्लिपहरू कडा परीक्षणहरू मार्फत जान्छ कि यो लगातार काम गर्दछ भनेर सुनिश्चित गर्न। यी परीक्षणहरूले साइजको शुद्धता, यसले कति पुल लिन सक्छ, यसले हिटहरूलाई कति राम्रोसँग ह्यान्डल गर्छ, र यसले विभिन्न रसायनहरूसँग काम गर्छ भने जस्ता कुराहरू जाँच गर्दछ।
Xiaoguo® को प्लास्टिक कोटर पिनहरू उद्योग मापदण्डहरूमा निर्माण गरिएका सामग्रीहरू प्रयोग गरेर निर्दिष्ट आवश्यकताहरू पूरा गर्ने, प्रदर्शन सुनिश्चित गर्दै। तिनीहरू सुरक्षित रूपमा र सुरक्षित रूपमा वस्तुहरू आफ्नो उद्देश्य उद्देश्यको लागि ठाउँमा राख्छन्। धातु कोटर पिनहरूको तुलनामा, प्लास्टिकहरू अधिक जंग-प्रतिरोधी र खिया-प्रतिरोधी हुन्छन्।

सोम
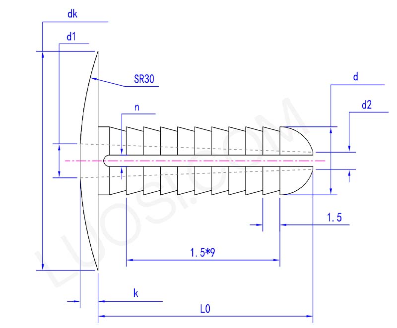
Φ६
Φ८
Φ१०
d अधिकतम
6
8
10
d मिनेट
5.8
7.8
9.8
dk अधिकतम
16.2
16.2
18.2
dk मिनेट
15.8
15.8
17.8
k अधिकतम
1.6
1.6
2.1
k मिनेट
1.4
1.4
1.9
L0
20
20
22
d1
3
4
5
d2
1.5
2
3
n
1
1
1.5
हाम्रा मानक प्लास्टिक विस्तार गर्ने रिभेट क्लिपहरू RoHS र REACH लगायतका प्रमुख अन्तर्राष्ट्रिय नियमहरूको पालना गर्ने सामग्रीबाट बनेका छन्। हामी खाद्य सम्पर्क अनुप्रयोगहरूको लागि FDA-प्रमाणित संस्करणहरू पनि प्रस्ताव गर्दछौं। अनुपालनका प्रमाणपत्रहरू अनुरोधमा उपलब्ध छन्।
हाम्रा सामग्रीहरू उत्पादनको क्रममा विश्वव्यापी मापदण्डहरू अनुसार सावधानीपूर्वक चयन गरिन्छ, सान्दर्भिक गुणस्तर मापदण्डहरूको अनुपालन सुनिश्चित गर्दै र सुरक्षित निर्यात र विश्वव्यापी रूपमा व्यापक प्रयोग सुनिश्चित गर्दै।