|
सोम |
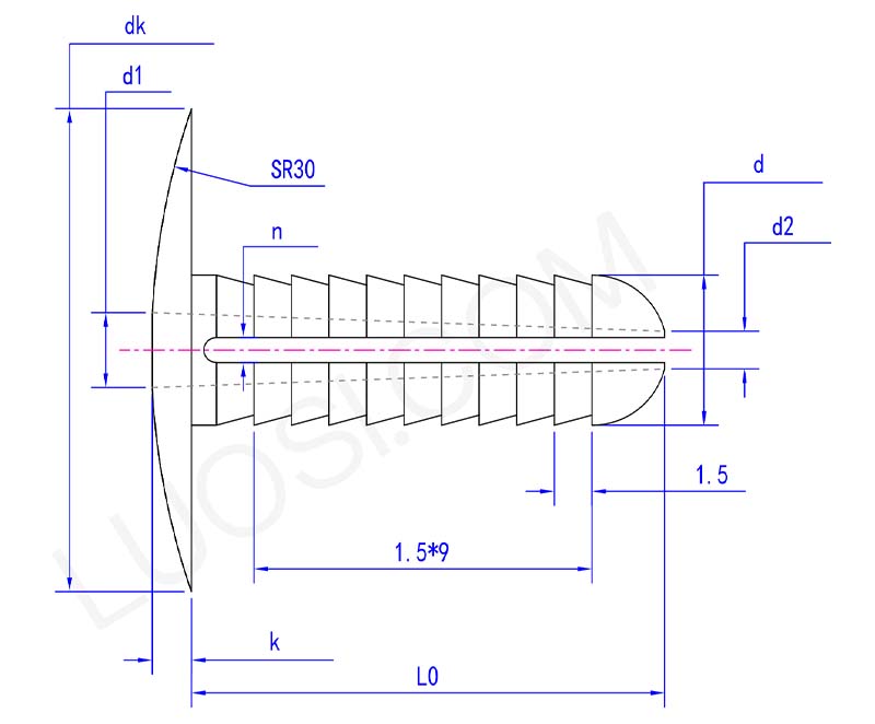
Φ६ |
Φ८ |
Φ१० |
|
d अधिकतम |
6 | 8 | 10 |
|
d मिनेट |
5.8 | 7.8 | 9.8 |
|
dk अधिकतम |
16.2 | 16.2 | 18.2 |
|
dk मिनेट |
15.8 | 15.8 | 17.8 |
|
k अधिकतम |
1.6 | 1.6 | 2.1 |
|
k मिनेट |
1.4 | 1.4 | 1.9 |
|
L0 |
20 | 20 | 22 |
|
d1 |
3 | 4 | 5 |
|
d2 |
1.5 | 2 | 3 |
|
n |
1 | 1 | 1.5 |
विस्तारित रिभेट क्लिप रिटेनर एक उपयोगी प्लास्टिक फास्टनर हो। यसले सामान्य धातु कोटर पिनको सट्टा खिया प्रतिरोध गर्ने सुरक्षित, हल्का विकल्पको रूपमा काम गर्दछ।
यो मूलतया बीचमा विभाजित भएको बेलनाकार टुक्रा हो। तपाईंले यसलाई प्रि-ड्रिल गरिएको प्वालमा राख्नुहुन्छ, त्यसपछि दुई खुट्टालाई बाहिर झुकाएर क्लीभिस पिनहरू, शाफ्टहरू वा लिंकेजहरू जस्ता भागहरू ठाउँमा समात्नुहोस्। प्लास्टिकको यो संस्करणले धातु झर्ने, तीखो किनारहरू र ग्याल्भेनिक क्षरण जस्ता समस्याहरूबाट छुटकारा पाउँछ।
विस्तारित रिभेट क्लिप रिटेनरको मुख्य अपसाइडहरू सुरक्षा, हल्का हुनु, र विभिन्न वातावरणहरूमा समात्ने बारे हो।
मेटल पिनहरू जस्तो नभई, यसमा तीखो burrs को समस्या छैन जुन यसलाई भित्र राख्दा वा बाहिर निकाल्दा तपाईंलाई काट्न सक्छ। यो धेरै हल्का छ, जुन एयरोस्पेस र कार प्रयोगको लागि धेरै महत्त्वपूर्ण छ।
थप के छ, विस्तारित रिभेट क्लिप रिटेनरले स्वाभाविक रूपमा खिया र जंगको प्रतिरोध गर्दछ। यसलाई भिजेको स्थानहरूमा, रसायनको वरिपरि, वा जहाँ बिजुली अपर्याप्त छ, र जहाँ धातुको सुईहरू खराब हुन सक्छ वा समस्या उत्पन्न गर्न सक्छ।

हाम्रो विस्तारित रिभेट क्लिप रिटेनरको शियर बलको विशिष्ट मान पिनको व्यास र विशिष्ट सामग्री ग्रेडको आधारमा भिन्न हुनेछ।
यो धेरै कम्पन र गतिशील भारहरू ह्यान्डल गर्न डिजाइन गरिएको छ, जुन मेसिनरी, कार पार्ट्स, र असेंबली लाइनहरूमा सामान्य हुन्छ।
सामाग्रीमा स्वाभाविक रूपमा केही लचिलोपन र स्प्रिंगिनेस हुन्छ, जसले यसलाई झटकाहरू अवशोषित गर्न मद्दत गर्दछ। यसले यसलाई धेरै कठिन वातावरणहरूमा धातु पिनहरूको लागि भरपर्दो प्रतिस्थापन बनाउँछ, यो सजिलैसँग झर्दैन, र यसले जडान गर्ने भागहरूमा लगाउने पहिरन पनि कम गर्छ।
