घर > उत्पादनहरू > पेच कस्नु > अन्य स्क्रू > कैप्टिभ स्प्रिंग स्क्रू
        कैप्टिभ स्प्रिंग स्क्रू
        • कैप्टिभ स्प्रिंग स्क्रूकैप्टिभ स्प्रिंग स्क्रू
        • कैप्टिभ स्प्रिंग स्क्रूकैप्टिभ स्प्रिंग स्क्रू
        • कैप्टिभ स्प्रिंग स्क्रूकैप्टिभ स्प्रिंग स्क्रू
        • कैप्टिभ स्प्रिंग स्क्रूकैप्टिभ स्प्रिंग स्क्रू
        • कैप्टिभ स्प्रिंग स्क्रूकैप्टिभ स्प्रिंग स्क्रू

        कैप्टिभ स्प्रिंग स्क्रू

        क्याप्टिभ स्प्रिङ स्क्रू एक ढीला, छुट्याउन नसकिने स्क्रू हो जुन सुरक्षित जडान सिर्जना गर्न कम्प्रेसन वा एक्सपेन्सन रिभेटिङ्द्वारा स्थापना गरिन्छ। Xiaoguo® एक विश्वसनीय निर्माता हो जसले मानक फास्टनर आकारहरू प्रदान गर्दछ र आफू अनुकूल आकारहरू पनि उत्पादन गर्न सक्छ।

        सोधपुछ पठाउनुहोस्

        उत्पादन विवरण

        कैप्टिभ स्प्रिंग स्क्रूको साथ सबैभन्दा ठूलो जीत भनेको तिनीहरूले जोर्नीहरू कडा राख्छन्। यसको मतलब कम विफलताहरू, सुरक्षित उपकरणहरू, कम डाउनटाइम फिक्सिङ चीजहरू, र उत्पादनहरू जसले लामो समयसम्म राम्रो काम गर्दछ।


        यी स्क्रूहरूले कम्पनहरू खान्छन् र तातो परिवर्तनहरू वा सामग्रीको परिवर्तनलाई ह्यान्डल गर्छन्, चीजहरू जसले सामान्य पेंचहरू ढीला गर्दछ। तपाईले प्रायः लकवाशर वा थ्रेडलकर छोड्नु भएकोले तपाईको भागहरूको सूचीलाई काटेर तिनीहरूले एसेम्बलीलाई पनि सरल बनाउँछन्। एन्टी-लूजिङ स्प्रिङ स्क्रूहरू कठिन बन्धन कार्यहरूको लागि प्रयोग गर्न सकिन्छ।


        कैप्टिभ स्प्रिङ स्क्रूले स्क्रूको ग्रिपलाई वसन्तको तनाव-होल्डिङ क्षमतासँग जोड्छ। कडा सामानहरूबाट बनेको, आकार/चश्माको भारमा उपलब्ध छ, र प्रायः खियासँग लड्न कोटिंग्सको साथ, तिनीहरू कम्पन ढिलो हुन र धातुको थकान रोक्न ठोस छन्।

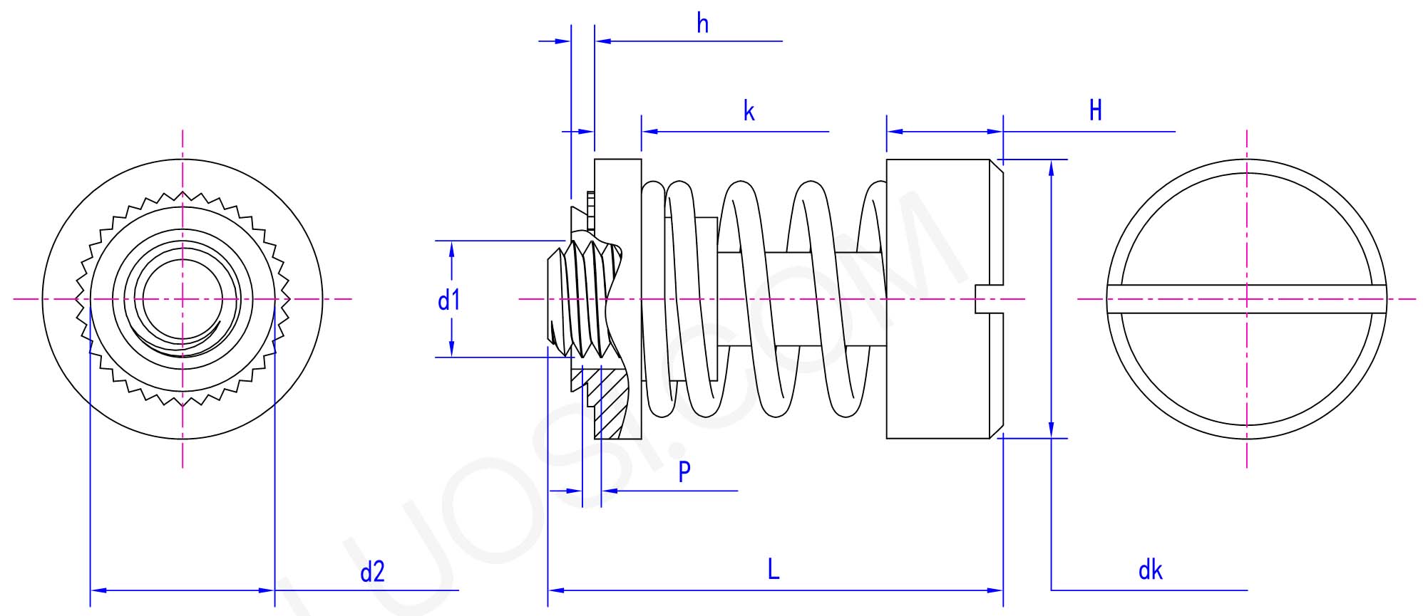
        उत्पादन मापदण्डहरू

        सोम 440 632 832 032 0420
        P 40 32 32 32 20
        d1 #४ #६ #8 #१० १/४
        d2 अधिकतम 0.202 0.218 0.249 0.311 0.374
        dk अधिकतम 0.416 0.448 0.478 0.54 0.635
        dk मिनेट 0.396 0.428 0.458 0.52 0.615
        h अधिकतम 0.058 0.058 0.058 0.058 0.058
        k अधिकतम 0.128 0.128 0.128 0.12 0.148
        k मिनेट 0.118 0.118 0.118 0.11 0.138
        H अधिकतम 0.207 0.207 0.212 0.225 0.247
        H मिनेट 0.197 0.197 0.202 0.237 0.237

        तपाईंले तिनीहरूलाई विमानहरू, कारहरू, कारखानाहरू, र ग्याजेटहरूमा भेट्टाउनुहुनेछ, जहाँ पनि भागहरू कुनै नराम्रो वातावरणमा बन्द रहनु पर्छ। यसले तपाईंलाई बताउँछ कि तिनीहरू चीजहरू सुरक्षित, सुरक्षित र टिकाउ राख्नको लागि महत्वपूर्ण छन्। वसन्त स्क्रूहरू आधुनिक उपकरणहरूको लागि व्यावहारिक समाधान हो जुन गम्भीर कम्पनहरू सामना गर्न सक्दैन।

        Captive Spring Screw

        प्याकेज

        प्रश्न: अन्तर्राष्ट्रिय ढुवानीको समयमा क्षति रोक्न प्याकेज कसरी प्याकेज गरिनेछ?

        A: हामी सुरक्षित पुग्नको लागि क्याप्टिभ स्प्रिंग स्क्रू प्याक गर्छौं। सामान्यतया, हामी तिनीहरूलाई गत्ता बक्स भित्र सिल गरिएको प्लास्टिकको झोलाहरूमा बल्क-शैलीमा राख्छौं। कहिलेकाहीँ हामी ढुवानीको समयमा ट्याङलिंग वा स्क्र्याचिंग रोक्नको लागि डिभाइडर वा प्याडिङमा टस गर्छौं।


        ठूला अर्डरहरू स्पूल वा कस्टम प्लास्टिक रीलहरूमा आउँछन्। कुनै पनि तरिकाले, हाम्रो प्याकेजिङ टिकाऊ, नमी-प्रूफ, र झटका-प्रतिरोधी छ, ट्रान्जिटको समयमा क्षति रोक्न।

        हट ट्यागहरू: कैप्टिव स्प्रिंग स्क्रू, चीन, निर्माता, आपूर्तिकर्ता, कारखाना
        सम्बन्धित श्रेणी
        सोधपुछ पठाउनुहोस्
        कृपया तलको फारममा आफ्नो सोधपुछ दिन स्वतन्त्र महसुस गर्नुहोस्। हामी तपाईंलाई 24 घण्टामा जवाफ दिनेछौं।
        X
        हामी तपाईंलाई राम्रो ब्राउजिङ अनुभव प्रदान गर्न, साइट ट्राफिक विश्लेषण र सामग्री निजीकृत गर्न कुकीहरू प्रयोग गर्छौं। यो साइट प्रयोग गरेर, तपाईं कुकीहरूको हाम्रो प्रयोगमा सहमत हुनुहुन्छ। गोपनीयता नीति
        अस्वीकार गर्नुहोस् स्वीकार गर्नुहोस्