BD Shackles टाइप गर्नुहोस्
        • BD Shackles टाइप गर्नुहोस्BD Shackles टाइप गर्नुहोस्
        • BD Shackles टाइप गर्नुहोस्BD Shackles टाइप गर्नुहोस्
        • BD Shackles टाइप गर्नुहोस्BD Shackles टाइप गर्नुहोस्
        • BD Shackles टाइप गर्नुहोस्BD Shackles टाइप गर्नुहोस्
        • BD Shackles टाइप गर्नुहोस्BD Shackles टाइप गर्नुहोस्
        • BD Shackles टाइप गर्नुहोस्BD Shackles टाइप गर्नुहोस्

        BD Shackles टाइप गर्नुहोस्

        Type BD ह्याकलहरू फिक्सिङका लागि प्रयोग गरिने रिगिङ प्रकार हुन्। यसलाई जहाजहरू ठीक गर्न प्रयोग गर्न सकिन्छ, निर्माण उद्योगमा प्रयोग गर्न सकिन्छ, भारी उपकरणहरू, र अफ-रोड सवारी साधनहरूमा पनि स्थापना गर्न सकिन्छ। Xiaoguo® कारखानाको आपूर्ति श्रृंखला पारदर्शी छ, कडाईका साथ परीक्षण गरिएको छ, र अन्तर्राष्ट्रिय लोड-असर मापदण्डहरू पूरा गर्दछ।
        मोडेल:JIS B2801-3-1977

        सोधपुछ पठाउनुहोस्

        उत्पादन विवरण

        Type BD ह्याकल हाई-टेन्साइल मिश्र धातु इस्पातबाट बनाइन्छ। अचानक, भारी भार लिँदा सामग्री भंगुर हुँदैन, र यसको राम्रो-दाना मेकअपले यसलाई बारम्बार तनावमा लामो समयसम्म टिक्न मद्दत गर्दछ।Xiaoguo®स्क्र्याप र सतह क्षतिको प्रतिरोध गर्न HRC 40-45 को कठोरतामा पुग्न मिश्र धातुलाई कडा बनाउनको लागि पनि तातो-उपचार गर्नुहोस्।

        यी सबैको कारण, धेरै चोटि उच्च तनावमा राख्दा पनि हड्डी बलियो रहन्छ, त्यसैले तपाईं यसलाई लामो समयसम्म भरोसा गर्न सक्नुहुन्छ।

        आवेदन

        Type BD ह्याकलहरू प्रायः प्रयोग गरिन्छ जहाँ लोडहरू सुरक्षित रूपमा व्यवस्थापन गर्न आवश्यक हुन्छ, जस्तै मुरिङ जहाजहरू अफशोर, थिएटरहरूमा रिगिङ स्थापना गर्ने वा भारी मेसिनरीहरू जम्मा गर्ने। तिनीहरूको खिया-प्रतिरोधी कोटिंगले तिनीहरूलाई अपतटीय कार्यहरूका लागि आदर्श बनाउँछ, जस्तै जहाज र किनारको बीचमा कार्गो ढुवानी गर्ने वा पानीमुनि उद्धार कार्यहरू प्रदर्शन गर्ने।

        निर्माण उद्योगमा, बीडी ह्याकलहरू स्टिल बीमहरू वा प्रिकास्ट कंक्रीट तत्वहरूमा क्रेन हुकहरू जोड्न प्रयोग गरिन्छ। बाहिरी उत्साहीहरू जसले अफ-रोड सवारी साधन रिकभरी गर्छन् तिनीहरू पनि यी शङ्काहरूमा निर्भर हुन्छन् किनभने तिनीहरूले अचानक झटकाहरू ह्यान्डल गर्न सक्छन्। चाहे यो औद्योगिक उत्पादनमा होस् वा नवीकरणीय ऊर्जा परियोजनाहरू जस्तै पवन टर्बाइनहरू स्थापना गर्ने, यी हड्डीहरूले भारी भार बोक्ने प्रणालीहरूमा भरपर्दो जडान प्रदान गर्दछ।

        सामग्री

        Q: BD ह्याकलहरूमा कुन सामग्रीहरू प्रयोग गरिन्छ, र तिनीहरूले कसरी क्षय प्रतिरोध गर्छन्?

        A:BD प्रकारका हड्डीहरू कार्बन स्टिलबाट बनेका हुन्छन् जसलाई तातोसँग व्यवहार गरिन्छ, त्यसैले तिनीहरू एकदमै कडा हुन्छन् र सजिलै हार्दैनन्। खिया रोक्नको लागि, तिनीहरूले तातो-डुबाएर जस्ता कोटिंग पाउँछन्, यसले तिनीहरूलाई नुनिलो पानी वा ओसिलो ठाउँहरूमा क्षरण नगरी बाँच्न मद्दत गर्दछ।

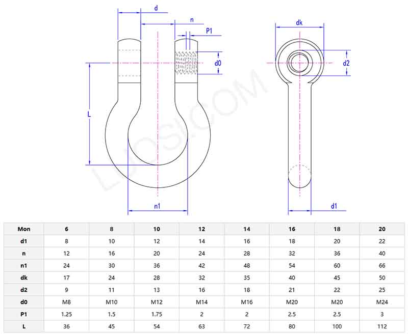
        Type BD shackles parameter

        हट ट्यागहरू: टाइप बीडी शैकल, चीन, निर्माता, आपूर्तिकर्ता, कारखाना
        सम्बन्धित श्रेणी
        सोधपुछ पठाउनुहोस्
        कृपया तलको फारममा आफ्नो सोधपुछ दिन स्वतन्त्र महसुस गर्नुहोस्। हामी तपाईंलाई 24 घण्टामा जवाफ दिनेछौं।
        X
        हामी तपाईंलाई राम्रो ब्राउजिङ अनुभव प्रदान गर्न, साइट ट्राफिक विश्लेषण र सामग्री निजीकृत गर्न कुकीहरू प्रयोग गर्छौं। यो साइट प्रयोग गरेर, तपाईं कुकीहरूको हाम्रो प्रयोगमा सहमत हुनुहुन्छ। गोपनीयता नीति
        अस्वीकार गर्नुहोस् स्वीकार गर्नुहोस्