घर > उत्पादनहरू > बोल्ट > स्क्वायर हेड बोल्ट > वर्ग काउन्टरनक हेड बोल्ट
      वर्ग काउन्टरनक हेड बोल्ट
      • वर्ग काउन्टरनक हेड बोल्टवर्ग काउन्टरनक हेड बोल्ट
      • वर्ग काउन्टरनक हेड बोल्टवर्ग काउन्टरनक हेड बोल्ट

      वर्ग काउन्टरनक हेड बोल्ट

      वर्ग काउन्टरनक हेड बोल्ट स्थापना सतहमा डुब्न अनुमति दिन सक्छ, सहज र सुन्दर सतहलाई जोगाउँदा उनीहरू अवसरहरू र सुरक्षाको लागि उपयुक्त बनाउँदछन् जसलाई उनीहरूलाई उपस्थिति र सुरक्षाको लागि उपयुक्त बनाउँदछ। यदि तपाईंलाई सपाट सतह चाहिन्छ भने, तपाईं Xiaoguo® यो बोल्ट छनौट गर्न सक्नुहुन्छ। काउन्टरनक हेडले बोल्टलाई सतहमा निर्वाह गर्न सक्षम गर्दछ। हामी विभिन्न आकारका बोल्टहरू उत्पादन गर्दछौं र तिनीहरू स्टकमा छन्। तपाइँले हामीलाई कुनै पनि समयमा सोधपुछका लागि सम्पर्क गर्न सक्नुहुन्छ।
      मोडेल:MS 9397-2000

      सोधपुछ पठाउनुहोस्

      उत्पादन विवरण

      एक को टाउकोवर्ग काउन्टरनक हेड बोल्टवर्ग हो र एउटा विजयी हुन्छ कि पूर्ण रूपमा यो सम्मिलित भएको सामग्रीको काउन्टर्टरनक प्वालमा पूर्ण रूपमा डुब्न सक्छ। यस तरीकाले, बोल्ट टाउको फैलाउने छैन र सतहलाई चापलुसी हुनेछ। यदि तपाइँ सौन्दर्य पछि लाग्नुहुन्छ भने, तपाईं तिनीहरूलाई छनौट गर्न सक्नुहुन्छ।


      उत्पाद विवरण र प्यारामिटरहरू

      तपाईं प्रयोग गर्न सक्नुहुन्छवर्ग काउन्टरनक हेड बोल्टफर्निचर निर्माण उद्योगमा। तिनीहरू ट्याब्लेटपर्सहरू, क्याबिनेट ढोका, आदि बनाउन प्रयोग गर्न सकिन्छ। तिनीहरूले स्क्रूहरू लुकाउन सक्छन्। कडा हुँदै जाँदा, सतह चैस्त हुन्छ र फर्निचरको समग्र दृश्यलाई असर गर्दैन। तिनीहरू पनि छुँदा पनि असहज महसुस गर्दैनन्।


      बोल्ट रिन्चको ठूलो सम्पर्क क्षेत्र छ र कडा पार्ने बेला कम हुन्छ, यसलाई राउन्ड टाउको बोल्ट भन्दा अपरेट गर्न सजिलो बनाउँदछ। थोरै शक्ति भएकाहरूले समेत बोल्टलाई तुच्छ बनाउन सक्छन्। काउन्टर्टरनक प्वाल स्थापना हुनुभन्दा पहिले सामग्रीमा खेर फाल्नु पर्छ। त्यस पछिवर्ग काउन्टरनक हेड बोल्टमा पेच गरिएको छ, टाउको पूर्ण रूपमा प्वालमा राखिएको छ र सामग्रीको सतहको साथ फ्लश। यस तरिकाले, यो हवाईजहाज वा वक्र सतहमा स्थापना भएको छ कि छैन, यसले समग्र समतल गुणलाई असर गर्दैन।


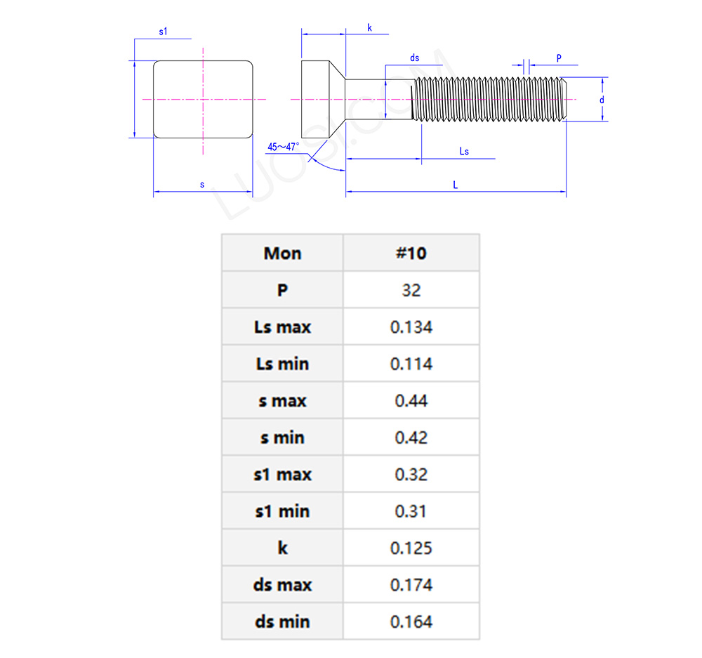
      Square countersunk head bolt parameters

      उत्पाद बेच्ने पोइन्ट

      वर्ग काउन्टरनक हेड बोल्टस्पेस-मुक्त र लुकाएर विशेषता छ। स्थापना पछि, बोल्ट टाउको भल्ट सतहको साथ फ्लश हुन्छ र साधारण बोल्टहरू जस्तै बल्दैन। यसले न त न त त्यसलाई असर गर्दछ वा अन्य चीजहरूलाई असर गर्दैन। तिनीहरू स्थापना गर्न र स्थापना स्थापनाको सट्टा सजिलै चिप्ल्न सजिलो छैन, तिनीहरूलाई अत्यधिक व्यावहारिक बनाउँदै।


      हट ट्यागहरू: वर्ग काउन्टरनक हेड बोल्ट, चीन, निर्माता, आपूर्तिकर्ता, कारखाना
      सम्बन्धित श्रेणी
      सोधपुछ पठाउनुहोस्
      कृपया तलको फारममा आफ्नो सोधपुछ दिन स्वतन्त्र महसुस गर्नुहोस्। हामी तपाईंलाई 24 घण्टामा जवाफ दिनेछौं।
      X
      We use cookies to offer you a better browsing experience, analyze site traffic and personalize content. By using this site, you agree to our use of cookies. Privacy Policy
      Reject Accept