पेच गरिएको सम्मिलित
      • पेच गरिएको सम्मिलितपेच गरिएको सम्मिलित
      • पेच गरिएको सम्मिलितपेच गरिएको सम्मिलित
      • पेच गरिएको सम्मिलितपेच गरिएको सम्मिलित
      • पेच गरिएको सम्मिलितपेच गरिएको सम्मिलित

      पेच गरिएको सम्मिलित

      एउटा पेच गरिएको सम्मिलितहरू एक सटीक-गठन, स्वयं-लक गर्ने कुण्डलले टिकाऊ आणविक धागो प्रदान गर्न डिजाइन गरिएको हो। Xiaoguo® कारखानाको एन्टी-इच्ध्यलक लेबनार्डले उपद्रव दर्शकहरू बिरूद्ध ग्राहकहरुलाई।
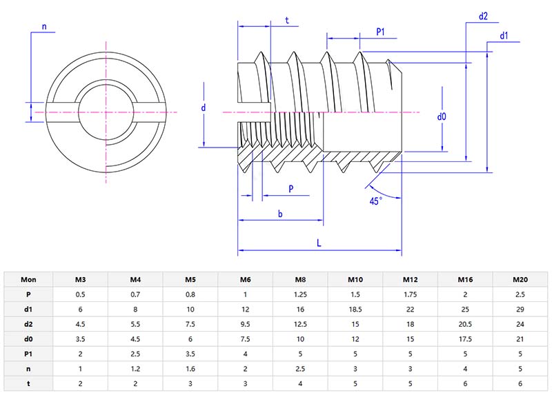
      मोडेल:DIN 7965-1965

      सोधपुछ पठाउनुहोस्

      उत्पादन विवरण

      पेच गरिएको सम्मिलितहीरा-आकारको तारबाट लाभजनक कोल बनेको छ। यो नरम सामग्रीमा कडा आन्तरिक थ्रेडहरू सिर्जना गर्न डिजाइन गरिएको हो वा मूल थ्रेड बिग्रेको छ। तपाईंले यसलाई पूर्व-ट्याप गरिएको प्वालमा हाल्नुभयो, र यसले कडा, दीर्घकालीन हस्तान्तरण थ्रेड गरिएको सतह दिन्छ जुन विधानसभा लामो हुन्छ। पेच गरिएको घुसाइएको स्थायी आस्तीन जस्तो काम गर्दछ - यसले दबाबलाई समान रूपमा फैलिन्छ र थ्रेडहरूलाई स्ट्रिंग वा बिग्रिएकोबाट बन्द गर्दछ। यो कठिन परिस्थितिमा सुरक्षित सुरक्षित स्थानमा सुरक्षित समाधानको लागि एक व्यावहारिक समाधान हो जहाँ आधार सामग्री पर्याप्त बलियो छैन।

      Screwed inserts

      उत्पाद विवरण र प्यारामिटरहरू

      स्न्याइन्ड सम्मिलितको मुख्य फाइदा भनेको तिनीहरू फिक्स र मलिएका वा कमजोर थ्रेडहरू सुदृढ पार्न र शक्तिशाली थ्रेडहरू, जसले तपाईंलाई बचाउनबाट बचाउँदछ जुन धेरै खर्च हुन्छ जुन धेरै खर्च गर्दछ। तिनीहरू आफैले बेस्ट सामग्री भन्दा तान्ने र कतरन शक्तिको बाटो बढाउँछन्। एक पेच गरिएको घुसाइरहेको धेरै कडा छैन - तपाईं यसलाई नियमित उपकरणहरूको साथ गर्न सक्नुहुन्छ। साथै, तिनीहरू कम्पोभरेस विरूद्ध राम्ररी समात्छन्, एक अर्कालाई वरडबाट विभिन्न धातुहरू रोक्दछन्, र निश्चित गर्नुहोस् कि थ्रेडहरू लगातार रहनुहोस् र फेरि प्रयोग गर्न सकिन्छ। त्यो बनाउँछपेच गरिएको सम्मिलितएक स्मार्ट विकल्प यदि तपाईं धेरै धेरै खर्च नगरीकन भरपर्दो केहि चाहनुहुन्छ भने।

      Screwed inserts

      सूत्र

      Q: यसले आधार सामग्री ट्याप गर्न मात्र एक शक्तिशाली धारा सिर्जना कसरी गर्दछ?

      A: Aपेच गरिएको सम्मिलितएक पूर्व-ड्रिल र ट्याप गरिएको प्वालमा जान्छ जुन सामान्य भन्दा अलि ठूलो हुन्छ। कोइल हीन्ड-आकारको तारबाट बनेको छ, जसले यसलाई धेरै जसो सतह क्षेत्र दिन्छ र थ्रेडहरूमा पनि तनाव फैलाउँदछ। यसले कडाई बेस सामग्रीलाई स्ट्राइपिंगबाट रोक्दछ, क्षतिग्रस्त हुँदै जान्छ, वा कम्पन वा भारी प्रयोग हुँदा थकित हुन्छ। परिणाम एक मजबूत, दीर्घकालीन स्थायी धागो गरिएको जडान हो जुन नियमित ट्याप गरिएको थ्रेडहरू भन्दा राम्रो छ, विशेष गरी नरम धातु वा प्लास्टिकमा।


      हट ट्यागहरू: पेच गरिएको सम्मिलित, चीन, निर्माता, आपूर्तिकर्ता, कारखाना
      सम्बन्धित श्रेणी
      सोधपुछ पठाउनुहोस्
      कृपया तलको फारममा आफ्नो सोधपुछ दिन स्वतन्त्र महसुस गर्नुहोस्। हामी तपाईंलाई 24 घण्टामा जवाफ दिनेछौं।
      X
      We use cookies to offer you a better browsing experience, analyze site traffic and personalize content. By using this site, you agree to our use of cookies. Privacy Policy
      Reject Accept