घर > उत्पादनहरू > आलपिन > गोलो पिन > उच्च तन्य क्लिभिस पिन
        उच्च तन्य क्लिभिस पिन
        • उच्च तन्य क्लिभिस पिनउच्च तन्य क्लिभिस पिन
        • उच्च तन्य क्लिभिस पिनउच्च तन्य क्लिभिस पिन

        उच्च तन्य क्लिभिस पिन

        यो हाई टेन्साइल क्लीभिस पिनलाई धेरै पटक डिस्सेम्बल र पुन: स्थापना गर्न सकिन्छ, यसलाई पुन: प्रयोगको लागि फाइदाजनक बनाउँदै। तपाईं निर्धक्क भई Xiaoguo बाट हाई टेन्साइल क्लीभिस पिनहरू अर्डर गर्न सक्नुहुन्छ, र तपाईंले ग्यारेन्टी गुणस्तरको साथ उत्कृष्ट अनुभव प्राप्त गर्नुहुनेछ।

        सोधपुछ पठाउनुहोस्

        उत्पादन विवरण

        यदि आवश्यक भएमा हामी यी हाई टेन्साइल क्लीभिस पिनहरूको लागि निरीक्षण प्रमाणपत्र प्रदान गर्न सक्छौं। प्रमाणपत्रले मुख्य परीक्षण परिणामहरू सूचीबद्ध गर्दछ: सामग्री के बनेको छ, यसको बल र कठोरता जस्ता मेकानिकल गुणहरू, र सबै महत्वपूर्ण आयामहरू सही छन् भनेर पुष्टि गर्दछ। यसले कुन मापदण्डहरू जस्तै ISO 2341, उत्पादन पूरा गर्छ भनेर पनि बताउँछ।

        प्रत्येक प्रमाणपत्र एक विशिष्ट उत्पादन ब्याचको लागि हो र एक अद्वितीय नम्बर छ त्यसैले यसलाई फिर्ता पत्ता लगाउन सकिन्छ। यो एक रेकर्ड हो जसले पिनहरूले सामग्रीबाट समाप्त उत्पादनमा मानक जाँचहरू पार गरेको देखाउँछ। तपाईको हाई टेन्साइल क्लीभिस पिनसँग प्रमाणपत्र प्राप्त गर्नु एक विकल्प हो, जुन रोजगारीका लागि उपयोगी छ जसलाई औपचारिक कागजी कार्य चाहिन्छ, चाहे दैनिक औद्योगिक प्रयोगका लागि होस् वा थप माग गर्ने अनुप्रयोगहरू।

        High Tensile Clevis Pins

        उत्पादन प्रयोग

        यस प्रकारको पिन सामान्यतया मेसिनहरूमा कम्पोनेन्टहरू जडान गर्न प्रयोग गरिन्छ जसलाई घुमाउने वा पिभोटिङ आवश्यक पर्दछ। विभिन्न औद्योगिक उपकरणहरूमा, यो प्रायः कोष्ठकहरू, रडहरू, वा लीभरहरू जडान गर्न प्रयोग गरिन्छ, अटोमोबाइल र ट्रकहरूमा, यो निलम्बन घटकहरू, ब्रेक लिङ्केजहरू, स्टीयरिङ उपकरणहरू, आदिका लागि प्रयोग गरिन्छ।

        खेतीका उपकरणहरू जस्तै ट्र्याक्टर हलो र फसल काट्नेहरूले पनि यसको प्रयोग गर्छन्। एयरोस्पेसमा, यो विमान प्रणालीमा केही गतिशील भागहरूको लागि प्रयोग गर्न सकिन्छ। यो डुङ्गाहरूमा, धाँधली र केही इन्जिन पार्ट्सहरूमा पनि पाइन्छ, किनभने यो ठाउँमा राम्रोसँग बन्द रहन्छ।

        साधारणतया, हाई टेन्साइल क्लीभिस पिनहरू काममा छन् जहाँ तपाईंलाई ठोस जडान चाहिन्छ जुन तपाईंले पछि अलग्गै लिन आवश्यक पर्दछ, र यसले हल्लाउने र नियमित प्रयोगलाई ह्यान्डल गर्न सक्छ।

        प्रश्नोत्तर सत्र

        Q: तपाईंको उच्च-शक्ति विभाजन पिनहरूको लागि मानक प्याकेजिङ्ग के हो?

        उत्तर: हामी सामान्यतया उच्च-शक्ति विभाजन पिनहरू प्याकेज गर्न बलियो कार्डबोर्ड बक्सहरू प्रयोग गर्छौं, र प्याकेजिङ विधि सामान्यतया आकार र मात्रा (उदाहरणका लागि, प्रति बक्स 100 टुक्रा) द्वारा विभाजित हुन्छ।

        बल्क अर्डरहरूको लागि, हामी मुख्य दफ्तीमा उच्च-शक्ति विभाजन पिनहरू प्याक गर्नेछौं र सुरक्षित यातायात र ह्यान्डलिङमा सहजता सुनिश्चित गर्न प्यालेटमा राख्नेछौं।

        High Tensile Clevis Pins


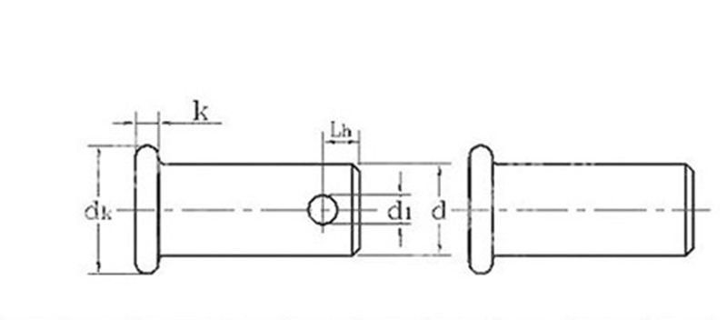
        एकाइ: मिमी
        d अधिकतम 3 4 5 6 8 10 12 14 16 18 20
        मिनेट 2.94 3.925 4.925 5.925 7.91 9.91 11.89 13.89 15.89 17.89 19.87
        dk अधिकतम 5 6 8 10 12 14 16 18 20 22 25
        मिनेट 4.7 5.7 7.64 9.64 11.57 13.57 15.57 17.57 19.48 21.48 24.48
        k nominal 1.5 2 2.5 3 3.5 4
        अधिकतम 1.625 2.125 2.625 3.125 3.65 4.15
        मिनेट 1.375 1.875 2.375 2.875 3.35 3.85
        d1 मिनेट 1.6 2 3.2 4 5 5
        अधिकतम 1.74 2.14 3.38 4.18 5.18 5.18
        Lh मिनेट 1.6 2.2 2.9 3.2 3.5 4.5 5.5 6 6 7 8




        हट ट्यागहरू: उच्च तन्य Clevis पिन, चीन, निर्माता, आपूर्तिकर्ता, कारखाना
        सम्बन्धित श्रेणी
        सोधपुछ पठाउनुहोस्
        कृपया तलको फारममा आफ्नो सोधपुछ दिन स्वतन्त्र महसुस गर्नुहोस्। हामी तपाईंलाई 24 घण्टामा जवाफ दिनेछौं।
        X
        हामी तपाईंलाई राम्रो ब्राउजिङ अनुभव प्रदान गर्न, साइट ट्राफिक विश्लेषण र सामग्री निजीकृत गर्न कुकीहरू प्रयोग गर्छौं। यो साइट प्रयोग गरेर, तपाईं कुकीहरूको हाम्रो प्रयोगमा सहमत हुनुहुन्छ। गोपनीयता नीति
        अस्वीकार गर्नुहोस् स्वीकार गर्नुहोस्