कार्बन स्टील सील स्टिंग नट पातलो प्लेटहरू वा पाना धातुहरू जडानका लागि प्रयोग गरिएको फास्टनरको प्रकार हो। तिनीहरू कार्बन स्टीलबाट बनेका छन् र कठोरता बढाउन को लागी बनेको छ र कडाई को वृद्धि गर्न को लागी।
छाप क्लिन्चिंग नट एकदम सीधा छ, तपाईं मानक टिनेमेटिक वा हाइड्रोलिक लचिंग उपकरणहरू प्रयोग गर्न सक्नुहुनेछ। यहाँ कसरी काम गर्दछ: पहिलो, नट एक पूर्व-चकित प्वालमा राख्नुहोस्, त्यसपछि दबाब लागू गर्न पंच र मर्न सेट गर्नुहोस्। मर्नेले एक द्रुत कदममा ठोस मेकानिकल लक बनाएर नटका ठोकर कदम चालु पार्नु
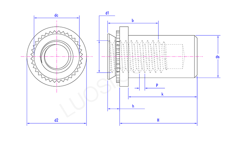
| सोमबार | M3-1 | M3-2 | M4-1 | M3-2 | M5-1 | M5-2 | एम 3-1 | एम 3-2 |
| P | 0.5 | 0.5 | 0.7 | 0.7 | 0.8 | 0.8 | 1 | 1 |
| ds अधिकतम | 3.84 | 3.84 | 5.2 | 5.2 | 6.35 | 6.35 | 8.75 | 8.75 |
| dc अधिकतम | 4.2 | 4.2 | 5.38 | 5.38 | 6.33 | 6.33 | 8.73 | 8.73 |
| B मिनेट | 5.3 | 5.3 | 7.1 | 7.1 | 7.1 | 7.1 | 7.8 | 7.8 |
| एच अधिकतम | 0.91 | 1.38 | 0.97 | 1.38 | 0.97 | 1.38 | 1.38 | 1.38 |
| एच अधिकतम | 9.85 | 9.85 | 11.45 | 11.45 | 11.45 | 11.45 | 14.55 | 14.55 |
| आवजन | 9.35 | 9.35 | 10.95 | 10.95 | 10.95 | 10.95 | 14.05 | 14.05 |
| के | 8.5 | 8.5 | 9.8 | 9.8 | 9.8 | 9.8 | 12.7 | 12.7 |
| D2 अधिक | 6.6 | 6.6 | 8.2 | 8.2 | 9 | 9 | 11.35 | 11.35 |
| D2 मिनेट | 6.1 | 6.1 | 7.7 | 7.7 | 8.5 | 8.5 | 10.85 | 10.85 |
| D1 | M3 | M3 | M4 | M4 | M5 | M5 | एम 3 | एम 3 |
कार्बन स्टील सिलि fint ्गिंग नर्टहरू द्वारा परिभाषित गरिएको छ: थ्रेड आकार (M5, m5, M6, MIS SADITING दायरा, तपाइँले तिनीहरूलाई काम गर्ने (दुबै मिलन) मा गर्न सक्नुहुन्छ।
उनीहरूको क्लान शक्ति (कसरी उनीहरु लाई धकेल्दै र घुमाइएको वा घुमाइएको बन्द) उद्योग मापदण्डको बिरूद्ध परीक्षण गरिएको छ (ईएसओ, खाजा, ifi)। दायाँ आकारलाई उठाउनु एउटा ठूलो सम्झौता हो, यसले पक्का बनाउँछ कि मोहरले समात्छ र नट कामका लागि पर्याप्त बलियो हुन्छ।
कार्बन स्टील सीलल सिलि fult ्गिंग नट स्थापना गर्न, तपाईंलाई एक विशेष ठट्टा गर्ने उपकरण र मर्दा सेट चाहिन्छ कि ठीक नटको आकारको आकारको मेल खान्छ। पहिले, नटलाई पाना धातुमा प्रि-चैन्च प्वालमा राख्नुहोस्। त्यसो भए उपकरणलाई नियन्त्रणित दबाब लागू गर्दछ, जसले नटको पायलट र ग्यार्नलाई वरपर धातुमा डुबाउँदछ। यो चिसो-गठन प्रक्रियाले राम्रोको लागि ठाउँमा स्टेनलेस स्टील नट लक गर्दछ र एकै समयमा, यो प्यानल विरुद्ध गधामा निर्मित-निर्मित-निर्मित-निर्मित-गरो- यसले कसरी लीक-प्रमाण मुछ जसले यी नटहरू अद्वितीय बनाउँदछ।
