घर > उत्पादनहरू > बोल्ट > स्क्वायर हेड बोल्ट > कार्बन स्टील मेट्रिक स्क्वायर हेड बोल्ट
        कार्बन स्टील मेट्रिक स्क्वायर हेड बोल्ट
        • कार्बन स्टील मेट्रिक स्क्वायर हेड बोल्टकार्बन स्टील मेट्रिक स्क्वायर हेड बोल्ट
        • कार्बन स्टील मेट्रिक स्क्वायर हेड बोल्टकार्बन स्टील मेट्रिक स्क्वायर हेड बोल्ट
        • कार्बन स्टील मेट्रिक स्क्वायर हेड बोल्टकार्बन स्टील मेट्रिक स्क्वायर हेड बोल्ट
        • कार्बन स्टील मेट्रिक स्क्वायर हेड बोल्टकार्बन स्टील मेट्रिक स्क्वायर हेड बोल्ट
        • कार्बन स्टील मेट्रिक स्क्वायर हेड बोल्टकार्बन स्टील मेट्रिक स्क्वायर हेड बोल्ट

        कार्बन स्टील मेट्रिक स्क्वायर हेड बोल्ट

        कार्बन स्टील मेट्रिक स्क्वायर हेड बोल्टहरू, सामान्यतया निर्माण, काठको काम, र पुरानो मेसिनरी अनुप्रयोगहरूमा प्रयोग गरिन्छ, पुरानो वा भारी शुल्क सौन्दर्य प्रस्ताव गर्दछ। Xiaoguo® का लागि - फास्टनरहरूको एक अनुभवी आपूर्तिकर्ता - त्यस्ता बोल्टहरूको निरन्तर उत्पादन गुणस्तर मुख्य प्रतिबद्धता हो।
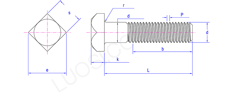
        मोडेल:ASME/ANSI B18.2.1-1-1972

        सोधपुछ पठाउनुहोस्

        उत्पादन विवरण

        कार्बन स्टिल मेट्रिक स्क्वायर हेड बोल्टहरू कति राम्रोसँग समात्छन् तिनीहरूको सामग्री ग्रेडमा निर्भर गर्दछ। साधारण कार्बन स्टील ग्रेडहरू 4.6 (तान्दा कम्तिमा 400 MPa लिन सक्छन्), 5.6 (500 MPa), 8.8 (800 MPa), 10.9 (1000 MPa), र 12.9 (1200 MPa) हुन्।

        सामान्य स्टेनलेस स्टील्स जस्तै A2-304 र A4-316 को एक धेरै व्यावहारिक विशेषता छ - तिनीहरूलाई खिया गर्न सजिलो छैन। यद्यपि, तिनीहरूसँग सानो सीमा छ, जुन तिनीहरूले सामना गर्न सक्ने तन्य बल सामान्यतया धेरै उच्च हुँदैन, सामान्यतया 500 देखि 700 MPa को दायरामा। उच्च-ग्रेड मेट्रिक स्क्वायर हेड बोल्टहरू (8.8 र माथि) तिनीहरूलाई बलियो बनाउन ताप-उपचार गरिन्छ।

        उत्पादन प्यारामिटरहरू

        सोम ३/८ ७/१६ १/२ ५/८ ३/४ ७/८ 1 १-१/८ १-१/४ १-३/८ १-१/२
        P १६|२४|३२ 14|20|28 13|20|28 11|18|24 १०|१६|२० ९|१४|२० ८|१२|२० ७|१२|१८ ७|१२|१८ ६|१२|१८ ६|१२|१८
        ds अधिकतम 0.388 0.452 0.515 0.642 0.768 0.895 1.022 1.149 1.277 1.404 1.531
        s अधिकतम 0.562 0.625 0.75 0.938 1.125 1.312 1.5 1.688 1.875 2.062 2.25
        s मिनेट 0.544 0.603 0.725 0.906 1.088 1.269 1.45 1.631 1.812 1.994 2.175
        e अधिकतम 0.795 0.884 1.061 1.326 1.591 1.856 2.121 2.386 2.652 2.917 3.182
        e मिनेट 0.747 0.828 0.995 1.244 1.494 1.742 1.991 2.239 2.489 2.738 2.986
        k अधिकतम 0.268 0.316 0.348 0.444 0.524 0.62 0.684 0.78 0.876 0.94 1.036
        k मिनेट 0.232 0.278 0.308 0.4 0.476 0.568 0.628 0.72 0.812 0.872 0.964
        r अधिकतम 0.03 0.03 0.03 0.06 0.06 0.06 0.09 0.09
        0.09
        0.09
        0.09
        r मिनेट 0.01 0.01
        0.01
        0.02 0.02
        0.02
        0.03 0.03
        0.03
        0.03
        0.03

        Carbon Steel Metric Square Head Bolts


        उत्पादन विवरण

        कार्बन स्टिल मेट्रिक स्क्वायर हेड बोल्टहरू राख्नको लागि, तपाईंलाई सही आकारको ओपन-एन्ड रेन्चहरू, समायोज्य रेन्चहरू, वा विशेष स्क्वायर सकेटहरू चाहिन्छ। तिनीहरूलाई पर्याप्त तंग बनाउनु हो तर धेरै मामिलाहरू होइन - तपाईंले सुझाव गरिएको टोकक नम्बरहरू पछ्याउनुपर्दछ। यी बोल्टको व्यास, सामग्री ग्रेड, थ्रेड पिच, र यो लुब्रिकेट गरिएको छ कि छैन द्वारा जान्छ।

        ईन्जिनियरिङ् सञ्चालन परिदृश्य (विवरण पूरक) यदि जडान मानक टर्क (वा "यदि कडा डिग्री मानक पूरा गर्दैन") अनुसार कडा छैन भने, जडान पछि ढिलो हुनेछ, माध्यमिक निरीक्षण र सुदृढीकरण आवश्यक हुनेछ। जब बोल्ट कस्ने टर्क निर्दिष्ट मान भन्दा बढि हुन्छ, बोल्टलाई प्लाष्टिकली रूपमा तन्काउन वा सीधै भाँच्न सजिलो हुन्छ। जडानको स्थिरता सुनिश्चित गर्न र बोल्ट विफलता रोक्न, निर्माता वा ईन्जिनियरिङ् विभाग द्वारा जारी टोक़ मार्गदर्शन कागजातहरू कडाईका साथ पालना गर्नुपर्छ।

        FAQ

        Q: कार्बन स्टील मेट्रिक स्क्वायर हेड बोल्टहरू स्थापना गर्न कुन रेन्च साइज आवश्यक छ? के यो धागो आकार जस्तै छ?

        A: कार्बन स्टिल मेट्रिक स्क्वायर हेड बोल्टको लागि रेन्च साइज (सपाट भागहरूमा चौडाइ) थ्रेड व्यास भन्दा ठूलो छ। उदाहरण को लागी, M12 जस्तै मेट्रिक स्क्वायर हेड बोल्ट सामान्यतया 19mm रिन्च संग कडा गर्न सकिन्छ। तर यसलाई सीधा प्रयोग नगर्नुहोस्। तपाईंले पहिले बोल्टको विशिष्ट साइज चार्टलाई परामर्श गर्नुपर्छ र यसलाई स्थापना र कस्नु अघि सही रेन्च फेला पार्नुहोस्।



        हट ट्यागहरू: कार्बन स्टील मेट्रिक स्क्वायर हेड बोल्ट, चीन, निर्माता, आपूर्तिकर्ता, कारखाना
        सम्बन्धित श्रेणी
        सोधपुछ पठाउनुहोस्
        कृपया तलको फारममा आफ्नो सोधपुछ दिन स्वतन्त्र महसुस गर्नुहोस्। हामी तपाईंलाई 24 घण्टामा जवाफ दिनेछौं।
        X
        हामी तपाईंलाई राम्रो ब्राउजिङ अनुभव प्रदान गर्न, साइट ट्राफिक विश्लेषण र सामग्री निजीकृत गर्न कुकीहरू प्रयोग गर्छौं। यो साइट प्रयोग गरेर, तपाईं कुकीहरूको हाम्रो प्रयोगमा सहमत हुनुहुन्छ। गोपनीयता नीति
        अस्वीकार गर्नुहोस् स्वीकार गर्नुहोस्